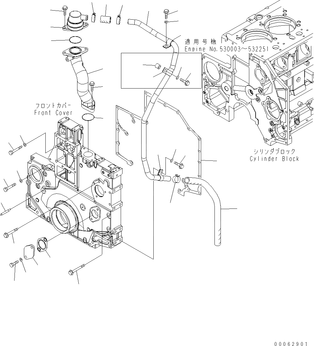
Запчасти Komatsu WA500-6 ЭЛЕМЕНТЫ ПЕРЕДН. КРЫШКИ (ЭЛЕМЕНТЫ КРЕПЛЕНИЯ И САПУН) AA ДВИГАТЕЛЬ

Схема запчастей Komatsu WA500-6 - ЭЛЕМЕНТЫ ПЕРЕДН. КРЫШКИ (ЭЛЕМЕНТЫ КРЕПЛЕНИЯ И САПУН) AA ДВИГАТЕЛЬ
2
1
3
7
6
7
8
10
14
9
12
9
14
11
21
16
17
13
15
9
4
5
3
24
23
22
20
26
22A
18
19
27
28
25
FIT
1:1
100%

Артикул

Название

Примечание

Количество

1

6212-25-8710

BREATHER

SN: 530003-UP

1шт.

2

01435-01025

BOLT

SN: 530003-UP

2шт.

3

07000-72060

O-RING

SN: 530003-UP

2шт.

4

6261-21-8610

CONNECTOR, BREATHER

SN: 530003-UP

1шт.

5

01435-01035

BOLT

SN: 530003-UP

2шт.

6

6141-64-7841

HOSE

SN: 530003-UP

1шт.

7

07281-00419

CLAMP

SN: 530003-UP

2шт.

8

6261-21-8780

TUBE, BREATHER

SN: 530003-UP

1шт.

9

154-04-12420

CLAMP

SN: 532252-UP

2шт.

|$10

154-04-12420

CLAMP

SN: 530003-532251

3шт.

10

01435-01020

BOLT

SN: 530003-UP

1шт.

11

01435-01040

BOLT

SN: 530003-532251

1шт.

12

6152-11-4970

SPACER

SN: 530003-532251

1шт.

13

01435-01225

BOLT

SN: 530003-UP

1шт.

14

01643-31032

WASHER

SN: 532252-UP

1шт.

|$16

01643-31032

WASHER

SN: 530003-532251

2шт.

15

01643-31232

WASHER

SN: 530003-UP

1шт.

16

07287-02611

HOSE

SN: 530003-UP

1шт.

17

07285-00280

CLIP

SN: 530003-UP

1шт.

18

6251-21-3211

PLATE

SN: 530003-UP

1шт.

19

6251-21-3231

GASKET

SN: 530003-UP

1шт.

20

6210-22-3910

POINTER

SN: 530003-UP

1шт.

21

6217-21-3251

GASKET

SN: 530003-UP

1шт.

22

01010-81275

BOLT

SN: 530003-UP

1шт.

22A

01643-31232

WASHER

SN: 530020-UP

1шт.

|$26

01640-21223

WASHER

SN: 530003-533019

1шт.

23

01010-81290

BOLT

SN: 530003-UP

7шт.

24

01643-31232

WASHER

SN: 533020-UP

7шт.

|$29

01640-21223

WASHER

SN: 530003-530019

7шт.

25

01436-01010

BOLT

SN: 530003-UP

1шт.

26

01435-01090

BOLT

SN: 530003-UP

3шт.

27

6251-21-3250

GASKET

SN: 530003-UP

2шт.

28

01050-51225

BOLT

SN: 530003-UP

2шт.

Выбрано товаров: 33