Качественные детали и логистика
Оригинальные и аналоговые запчасти с доставкой по России, Казахстану и Беларуси
©2022 PartSell ООО "Система" ИНН 2463123282 ОГРН 1212400004838
Центральный офис: г. Красноярск, Академика Киренского, д.87, пом.4
Телефон: 8 (800) 777-65-74 Email: zakaz@partsell.ru
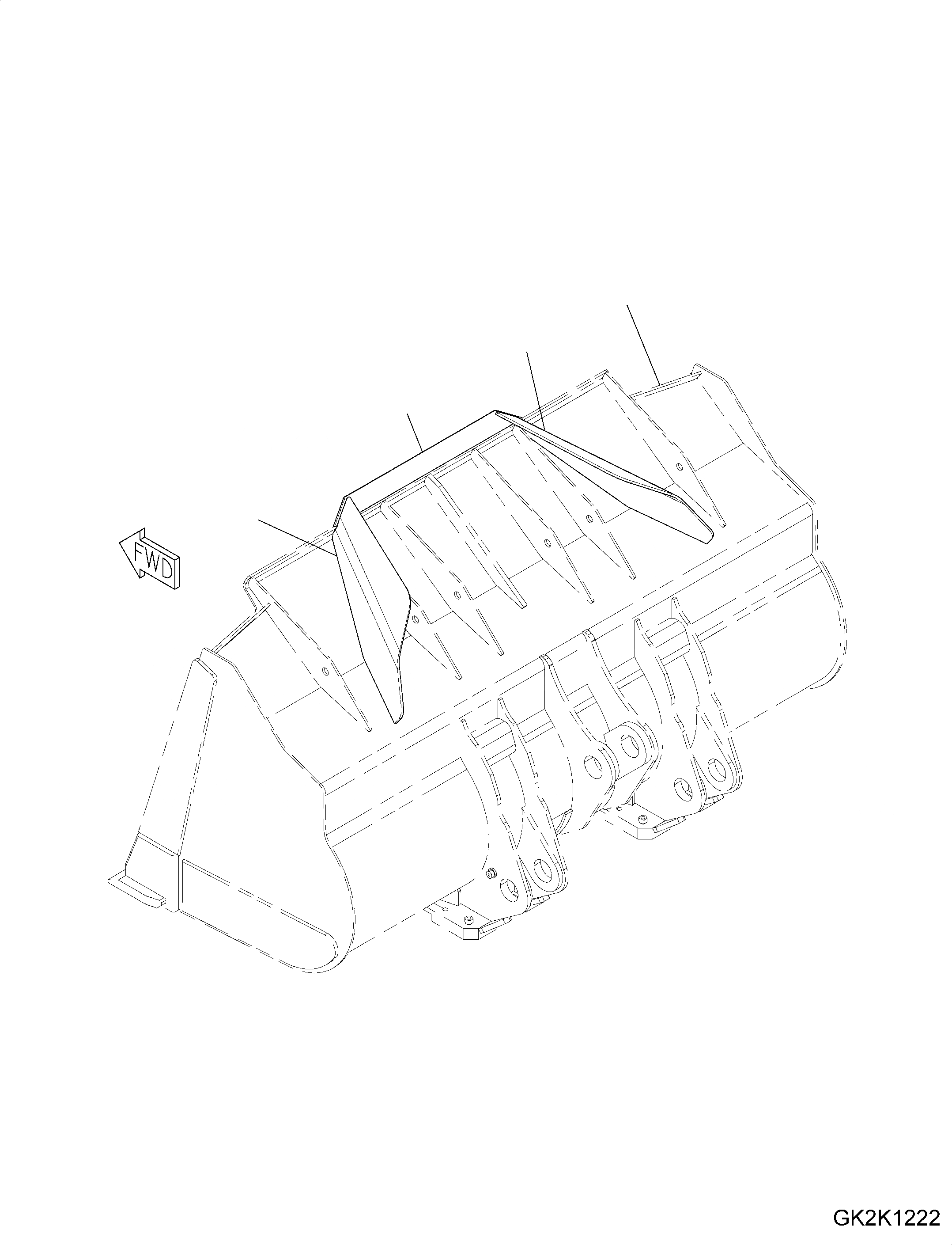
КОВШ (С ЗАЩИТА КАБИНЫ) (CODE: S7)
№
Артикул
Название
Примечание
Количество
1
425-72-H2J00
PLATE, SPILLGUARD, (WELDED)
SN: H60051-UP
1шт.
2
425-72-H2J10
PLATE, LHS, (WELDED)
3
425-72-H2J30
PLATE, RHS, (WELDED)
4
425-73-H2130
BUCKET, 6.0CBM
-1шт.
Выбрано товаров: 0