Запчасти Komatsu WA500-6 УПРАВЛЕНИЕ ПОГРУЗКОЙ (ДЛЯ 3-Х СЕКЦИОНН. КЛАПАН) (FIELD КОМПЛЕКТ) (/) Y ОСНОВН. КОМПОНЕНТЫ И РЕМКОМПЛЕКТЫ

Схема запчастей Komatsu WA500-6 - УПРАВЛЕНИЕ ПОГРУЗКОЙ (ДЛЯ 3-Х СЕКЦИОНН. КЛАПАН) (FIELD КОМПЛЕКТ) (/) Y ОСНОВН. КОМПОНЕНТЫ И РЕМКОМПЛЕКТЫ
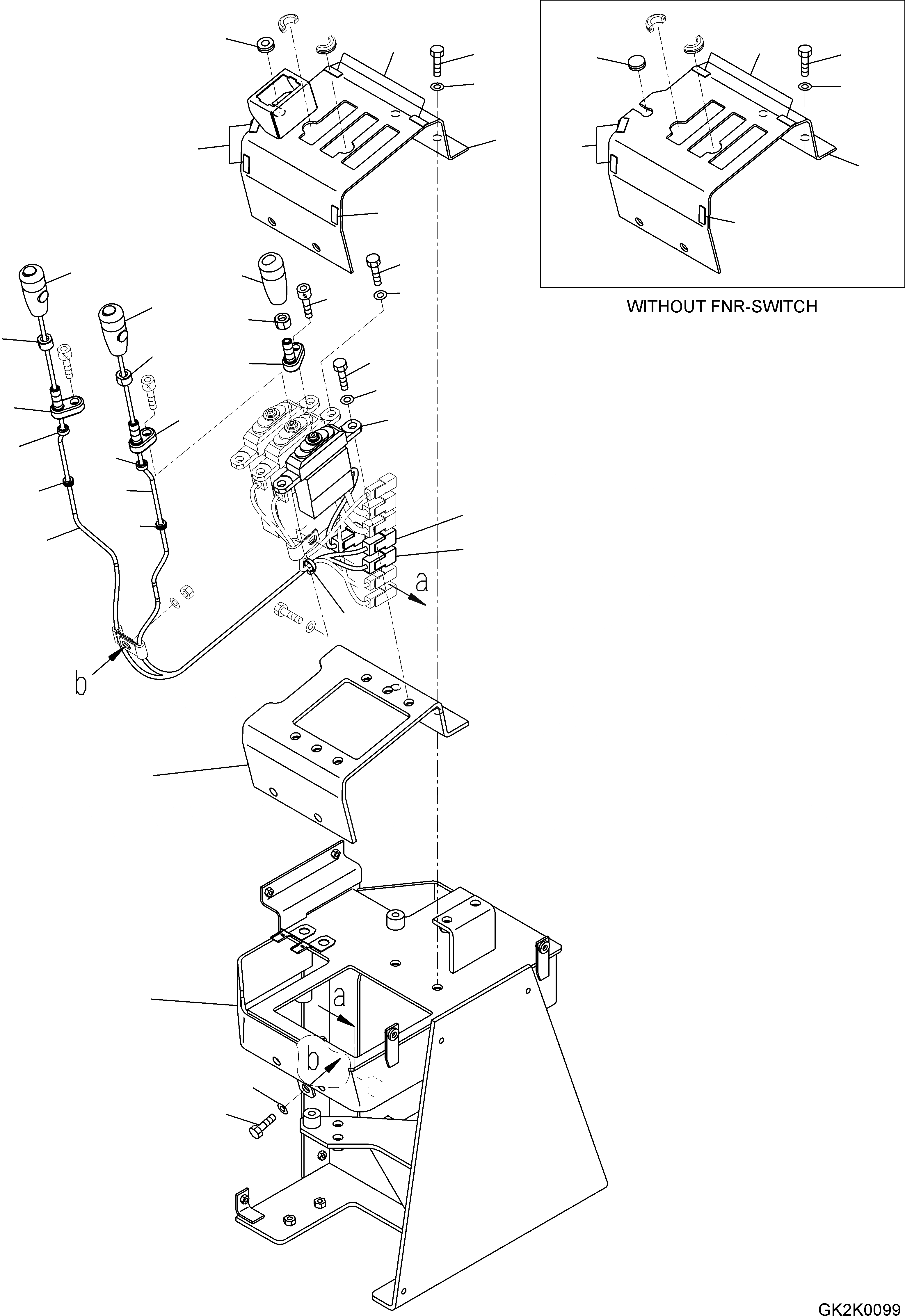
24
23
1
2
26
15
22
27
33
32
9
14
13
10
12
11
20
16
21
17
19
18
31
30
28
29
3
4
6
6
25
6
7
8
5
35
36
35
7
8
34
35
FIT
1:1
100%

Артикул

Название

Примечание

Количество

1

425-43-39611

BRACKET

SN: H60051-UP

1шт.

2

423-43-48850

BRACKET

SN: H60051-UP

1шт.

3

01010-81025

BOLT

SN: H60051-UP

4шт.

4

01643-31032

WASHER

SN: H60051-UP

4шт.

|$5

425-43-39640

COVER ASSEMBLY

SN: H60051-UP

1шт.

5

0

COVER

SN: H60051-UP

1шт.

6

421-09-21420

SHEET

SN: H60051-UP

5шт.

7

01016-51030

BOLT

SN: H60051-UP

4шт.

8

01643-31032

WASHER

SN: H60051-UP

4шт.

9

423-43-48841

LEVER ASSEMBLY

SN: H60051-UP

1шт.

10

423-43-48880

LEVER

SN: H60051-UP

1шт.

11

423-43-48261

SWITCH ASSEMBLY

SN: H60051-UP

1шт.

|$13

0

BODY ASSEMBLY

SN: H60051-UP

1шт.

|$14

0

SWITCH ASSEMBLY

SN: H60051-UP

1шт.

|$15

421-43-38523

CAP

SN: H60051-UP

1шт.

|$16

421-43-38530

SPACER

SN: H60051-UP

1шт.

|$17

421-43-38540

SPRING

SN: H60051-UP

1шт.

|$18

421-43-38550

CAP

SN: H60051-UP

1шт.

|$19

421-43-38560

RING

SN: H60051-UP

1шт.

|$20

421-43-38570

PLUNGER

SN: H60051-UP

1шт.

|$21

421-43-38580

O-RING

SN: H60051-UP

1шт.

|$22

421-43-38740

STOPPER

SN: H60051-UP

1шт.

12

23S-43-31550

NUT

SN: H60051-UP

1шт.

13

23S-43-51230

GROMMET

SN: H60051-UP

1шт.

14

287-43-18350

GROMMET

SN: H60051-UP

1шт.

15

08192-24810

CONNECTOR

SN: H60051-UP

1шт.

16

425-43-39191

LEVER ASSEMBLY

SN: H60051-UP

1шт.

17

421-43-31432

LEVER

SN: H60051-UP

1шт.

18

423-43-48261

SWITCH ASSEMBLY

SN: H60051-UP

1шт.

|$30

0

BODY ASSEMBLY

SN: H60051-UP

1шт.

|$31

0

SWITCH ASSEMBLY

SN: H60051-UP

1шт.

|$32

421-43-38523

CAP

SN: H60051-UP

1шт.

|$33

421-43-38530

SPACER

SN: H60051-UP

1шт.

|$34

421-43-38540

SPRING

SN: H60051-UP

1шт.

|$35

421-43-38550

CAP

SN: H60051-UP

1шт.

|$36

421-43-38560

RING

SN: H60051-UP

1шт.

|$37

421-43-38570

PLUNGER

SN: H60051-UP

1шт.

|$38

421-43-38580

O-RING

SN: H60051-UP

1шт.

|$39

421-43-38740

STOPPER

SN: H60051-UP

1шт.

19

23S-43-31550

NUT

SN: H60051-UP

1шт.

20

23S-43-51230

GROMMET

SN: H60051-UP

1шт.

21

287-43-18350

GROMMET

SN: H60051-UP

1шт.

22

08192-24810

CONNECTOR

SN: H60051-UP

1шт.

23

01016-51030

BOLT

SN: H60051-UP

1шт.

24

01643-31032

WASHER

SN: H60051-UP

1шт.

25

175-06-81610

GROMMET

SN: H60051-UP

1шт.

26

08034-20519

BAND

SN: H60051-UP

5шт.

27

702-16-02160

LEVER ASSEMBLY

SN: H60051-UP

1шт.

28

423-43-48880

LEVER

SN: H60051-UP

1шт.

29

01252-80612

BOLT

SN: H60051-UP

1шт.

30

23S-43-31550

NUT

SN: H60051-UP

1шт.

31

421-43-38332

KNOB

SN: H60051-UP

1шт.

32

01016-51030

BOLT

SN: H60051-UP

2шт.

33

01643-31032

WASHER

SN: H60051-UP

2шт.

34

423-43-48630

COVER

SN: H60051-UP

1шт.

35

421-09-21420

SHEET

SN: H60051-UP

5шт.

36

09415-01008

CAP

SN: H60051-UP

1шт.

Выбрано товаров: 57