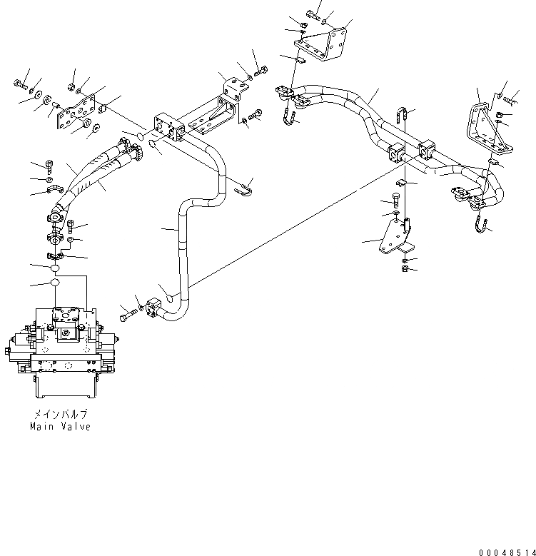
Запчасти Komatsu WA500-6R ГИДРОЛИНИЯ (ГИДРОЦИЛИНДР ПОДЪЕМА НИЖН. ЛИНИЯ)(№-) ГИДРАВЛИКА

Схема запчастей Komatsu WA500-6R - ГИДРОЛИНИЯ (ГИДРОЦИЛИНДР ПОДЪЕМА НИЖН. ЛИНИЯ)(№-) ГИДРАВЛИКА
1
2
2
3
4
5
6
7
7
8
9
10
11
12
13
14
15
16
17
18
19
19
20
21
22
23
23
23
23
24
24
24
24
25
25
25
25
26
26
26
26
27
27
28
28
29
29
30
31
32
33
34
34
35
35
FIT
1:1
100%

Артикул

Название

Примечание

Количество

1

425-62-33220

HOSE

SN: 60001-UP

1шт.

1

425-62-33331

HOSE,(FOR E.C.S.S.)

SN: 60001-UP

1шт.

2

07000-B3032

O-RING

SN: 60001-UP

2шт.

3

07371-31049

FLANGE,SPLIT

SN: 60001-UP

4шт.

4

07372-21035

BOLT

SN: 60001-UP

8шт.

5

01643-51032

WASHER

SN: 60001-UP

8шт.

6

425-62-33230

HOSE

SN: 60001-UP

1шт.

6

425-62-33341

HOSE,(FOR E.C.S.S.)

SN: 60001-UP

1шт.

7

07000-B3032

O-RING

SN: 60001-UP

2шт.

8

07371-31049

FLANGE,SPLIT

SN: 60001-UP

4шт.

9

07372-21035

BOLT

SN: 60001-UP

8шт.

10

01643-51032

WASHER

SN: 60001-UP

8шт.

11

425-62-33321

TUBE

SN: 60001-UP

1шт.

12

07000-B3035

O-RING

SN: 60001-UP

1шт.

13

01010-81065

BOLT

SN: 60001-UP

4шт.

14

01643-31032

WASHER

SN: 60001-UP

4шт.

15

425-62-33311

TUBE

SN: 60001-UP

1шт.

16

425-62-34151

PLATE

SN: 60001-UP

1шт.

17

417-54-12260

SPACER

SN: 60001-UP

2шт.

18

417-62-13620

CUSHION

SN: 60001-UP

2шт.

19

419-43-17920

WASHER

SN: 60001-UP

4шт.

20

419-43-17930

CUSHION

SN: 60001-UP

2шт.

21

01010-81255

BOLT

SN: 60001-UP

2шт.

22

01643-31232

WASHER

SN: 60001-UP

2шт.

23

07283-53444

SEAT

SN: 60001-UP

7шт.

24

07283-33450

CLIP

SN: 60001-UP

7шт.

25

01643-31032

WASHER

SN: 60001-UP

14шт.

26

01597-01009

NUT

SN: 60001-UP

14шт.

27

425-62-33961

BRACKET

SN: 60001-UP

2шт.

28

01010-D1230

BOLT

SN: 60001-UP

8шт.

29

01643-71232

WASHER

SN: 60001-UP

8шт.

30

425-62-34321

PLATE

SN: 60001-UP

1шт.

31

01010-81230

BOLT

SN: 60001-UP

2шт.

32

01643-31232

WASHER

SN: 60001-UP

2шт.

33

425-62-34111

PLATE

SN: 60001-UP

1шт.

34

01010-D1230

BOLT

SN: 60001-UP

4шт.

35

01643-71232

WASHER

SN: 60001-UP

4шт.

Выбрано товаров: 37