Запчасти Komatsu WA500-6R ГИДРОЛИНИЯ РУЛЕВОГО УПРАВЛЕНИЯ (РУЛЕВ. УПРАВЛЕНИЕ ЗАПРАШИВАЮЩ. КЛАПАН ЛИНИЯ)(№-8) ГИДРАВЛИКА

Схема запчастей Komatsu WA500-6R - ГИДРОЛИНИЯ РУЛЕВОГО УПРАВЛЕНИЯ (РУЛЕВ. УПРАВЛЕНИЕ ЗАПРАШИВАЮЩ. КЛАПАН ЛИНИЯ)(№-8) ГИДРАВЛИКА
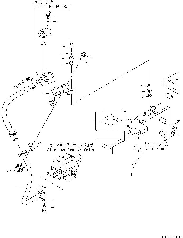
1
2
3
4
5
6
7
8
9
9
10
11
12
13
14
15
16
17
FIT
1:1
100%

Артикул

Название

Примечание

Количество

1

425-62-31211

TUBE

SN: 60005-60008

1шт.

1

425-62-31210

TUBE

SN: 60001-60004

1шт.

2

07000-B3035

O-RING

SN: 60001-@

1шт.

3

01010-81060

BOLT

SN: 60001-@

4шт.

4

01643-31032

WASHER

SN: 60001-@

4шт.

5

425-62-32261

BRACKET

SN: 60001-60008

1шт.

6

417-54-12260

SPACER

SN: 60001-60008

4шт.

7

419-43-17930

CUSHION

SN: 60001-60008

4шт.

8

417-62-13620

CUSHION

SN: 60001-60008

4шт.

9

419-43-17920

WASHER

SN: 60001-60008

8шт.

10

01010-81255

BOLT

SN: 60001-60008

4шт.

11

01643-31232

WASHER

SN: 60001-60008

4шт.

12

07283-53444

SEAT

SN: 60001-@

2шт.

13

07283-33450

CLIP

SN: 60001-@

2шт.

14

01643-31032

WASHER

SN: 60001-@

4шт.

15

01597-01009

NUT

SN: 60001-@

4шт.

16

02782-10311

ELBOW

SN: 60005-@

1шт.

17

07002-61423

O-RING

SN: 60005-@

1шт.

Выбрано товаров: 18