Качественные детали и логистика
Оригинальные и аналоговые запчасти с доставкой по России, Казахстану и Беларуси
©2022 PartSell ООО "Система" ИНН 2463123282 ОГРН 1212400004838
Центральный офис: г. Красноярск, Академика Киренского, д.87, пом.4
Телефон: 8 (800) 777-65-74 Email: zakaz@partsell.ru
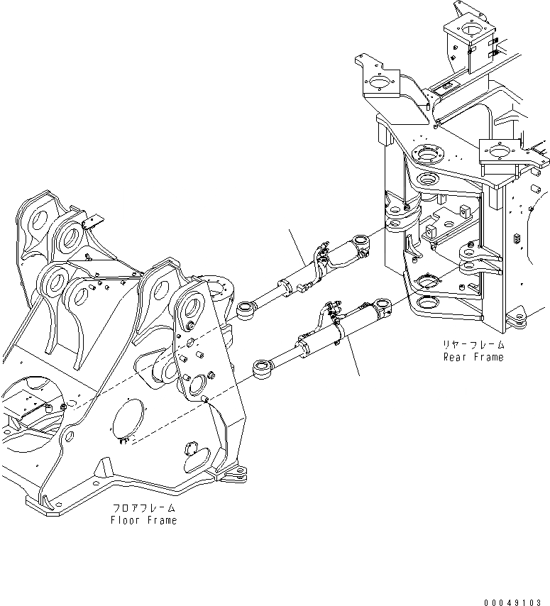
ЦИЛИНДР РУЛЕВ. УПР-Я(№-)
№
Артикул
Название
Примечание
Количество
1
707-00-XX441
CYLINDER GROUP,L.H.
SN: 60005-UP
1шт.
707-00-XX440
SN: 60001-60004
2
707-00-XX451
CYLINDER GROUP,R.H.
707-00-XX450
Выбрано товаров: 0