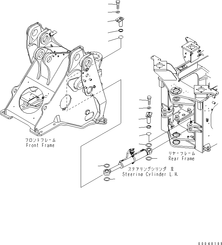
Запчасти Komatsu WA500-6R ЦИЛИНДР РУЛЕВ. УПР-Я КРЕПЛЕНИЕ(№-) ОСНОВНАЯ РАМА И ЕЕ ЧАСТИ

Схема запчастей Komatsu WA500-6R - ЦИЛИНДР РУЛЕВ. УПР-Я КРЕПЛЕНИЕ(№-) ОСНОВНАЯ РАМА И ЕЕ ЧАСТИ
1
2
3
3
4
4
5
5
6
6
7
7
7
7
FIT
1:1
100%

Артикул

Название

Примечание

Количество

1

425-46-32311

PIN

SN: 60001-UP

2шт.

2

425-46-32321

PIN

SN: 60001-UP

2шт.

3

425-46-32330

O-RING

SN: 60001-UP

4шт.

4

425-46-32340

PLATE

SN: 60001-UP

4шт.

5

01010-81625

BOLT

SN: 60001-UP

4шт.

6

421-70-11280

WASHER

SN: 60001-UP

4шт.

7

418-70-11310

SHIM, 1.0MM

SN: 60001-UP

16шт.

7

417-70-11370

SHIM, 0.5MM

SN: 60001-UP

4шт.

Выбрано товаров: 8