Запчасти Komatsu WA500-6R КРЕПЛЕНИЕ ДВИГАТЕЛЯ(№-) КОМПОНЕНТЫ ДВИГАТЕЛЯ

Схема запчастей Komatsu WA500-6R - КРЕПЛЕНИЕ ДВИГАТЕЛЯ(№-) КОМПОНЕНТЫ ДВИГАТЕЛЯ
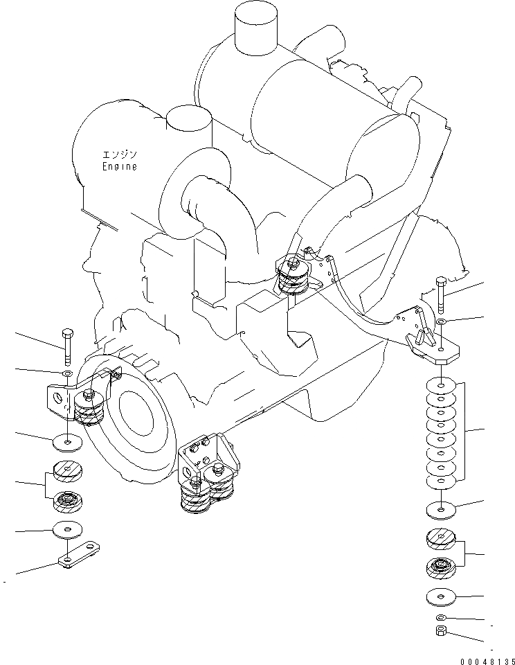
1
2
3
4
4
5
6
7
8
8
9
10
10
11
FIT
1:1
100%

Артикул

Название

Примечание

Количество

1

425-01-11370

CUSHION

SN: 60001-UP

8шт.

2

01011-62245

BOLT

SN: 60001-UP

4шт.

3

01643-32260

WASHER

SN: 60001-UP

4шт.

4

567-01-71160

WASHER

SN: 60001-UP

8шт.

5

425-01-31320

PLATE

SN: 60001-UP

2шт.

6

425-01-11370

CUSHION

SN: 60001-UP

4шт.

7

01011-62245

BOLT

SN: 60001-UP

2шт.

8

01643-32260

WASHER

SN: 60001-UP

4шт.

9

01580-12218

NUT

SN: 60001-UP

2шт.

10

567-01-71160

WASHER

SN: 60001-UP

4шт.

11

425-14-31310

SHIM, 0.5MM

SN: 60001-UP

8шт.

11

425-14-31320

SHIM, 1.0MM

SN: 60001-UP

8шт.

Выбрано товаров: 12