Запчасти Komatsu WA500-6R СИДЕНЬЕ ОПЕРАТОРА (КОНСОЛЬ) (GRAMMER) (ДЛЯ УПРАВЛ-Е ДЖОЙСТИКОМ) (/)(№-) КАБИНА ОПЕРАТОРА И СИСТЕМА УПРАВЛЕНИЯ

Схема запчастей Komatsu WA500-6R - СИДЕНЬЕ ОПЕРАТОРА (КОНСОЛЬ) (GRAMMER) (ДЛЯ УПРАВЛ-Е ДЖОЙСТИКОМ) (/)(№-) КАБИНА ОПЕРАТОРА И СИСТЕМА УПРАВЛЕНИЯ
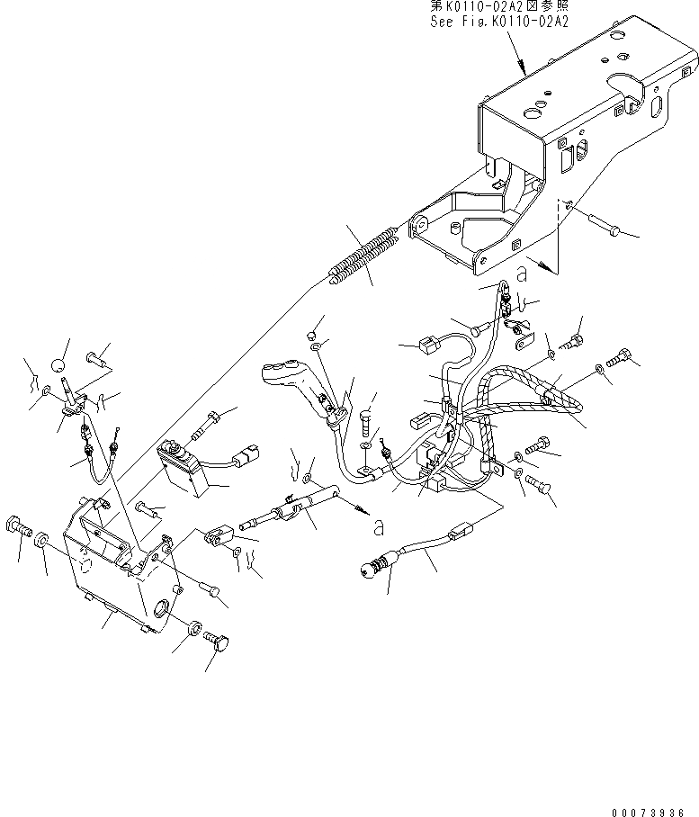
1
2
3
4
5
6
7
7
8
8
9
10
11
12
13
14
15
16
17
18
19
20
21
22
23
24
24
25
25
26
26
27
28
29
29
30
30
31
32
32
33
33
34
35
36
37
38
39
40
41
42
FIT
1:1
100%

Артикул

Название

Примечание

Количество

1

421-S33-3282

SWITCH

SN: 60001-UP

1шт.

2

04434-50508

CLIP

SN: 60001-UP

1шт.

3

04434-51008

CLIP

SN: 60001-UP

1шт.

4

01643-30823

WASHER

SN: 60001-UP

1шт.

5

01010-80816

BOLT

SN: 60001-UP

1шт.

6

425-S33-3323

BRACKET

SN: 60001-UP

1шт.

7

22T-43-12180

SPACER

SN: 60001-UP

2шт.

8

425-S33-3290

BOLT

SN: 60001-UP

2шт.

9

425-S33-3532

KNOB ASS'Y

SN: 60009-UP

1шт.

9

425-S33-3531

KNOB ASS'Y

SN: 60001-60008

1шт.

10

01643-70823

WASHER

SN: 60001-UP

1шт.

11

01546-10812

NUT

SN: 60001-UP

1шт.

12

702-16-02150

LEVER ASS'Y

SN: 60001-UP

1шт.

13

01435-00640

BOLT

SN: 60001-UP

2шт.

14

08017-C0701

CONDUIT

SN: 60001-UP

1шт.

15

425-S33-3272

LEVER

SN: 60001-UP

1шт.

16

22T-55-15290

KNOB

SN: 60001-UP

1шт.

17

04205-31042

PIN

SN: 60001-UP

1шт.

18

01640-21016

WASHER

SN: 60001-UP

1шт.

19

04052-21038

PIN,SNAP

SN: 60001-UP

1шт.

20

425-S33-3490

LOCK

SN: 60001-UP

1шт.

21

22T-43-11210

YOKE

SN: 60001-UP

1шт.

22

8236-71-2450

PIN

SN: 60001-UP

1шт.

23

04205-31042

PIN

SN: 60001-UP

1шт.

24

01640-21016

WASHER

SN: 60001-UP

2шт.

25

04052-21038

PIN,SNAP

SN: 60001-UP

2шт.

26

418-43-18240

SPRING

SN: 60001-UP

2шт.

27

425-S33-3192

WIRING HARNESS

SN: 60001-UP

1шт.

28

04434-51008

CLIP

SN: 60001-UP

3шт.

29

01010-80816

BOLT

SN: 60001-UP

2шт.

30

01643-30823

WASHER

SN: 60001-UP

2шт.

31

04434-51010

CLIP

SN: 60001-UP

4шт.

32

01010-D1020

BOLT

SN: 60001-UP

2шт.

33

01643-71032

WASHER

SN: 60001-UP

2шт.

34

425-S33-3333

CABLE

SN: 60001-UP

1шт.

35

08017-C0701

CONDUIT

SN: 60001-UP

1шт.

36

08017-C0703

CONDUIT

SN: 60001-UP

1шт.

37

04205-10616

PIN

SN: 60001-UP

1шт.

38

04052-20633

PIN,SNAP

SN: 60001-UP

1шт.

39

425-S33-3342

CABLE

SN: 60001-UP

1шт.

40

04205-10616

PIN

SN: 60001-UP

1шт.

41

04052-20633

PIN,SNAP

SN: 60001-UP

1шт.

42

08210-01805

SPIRAL TUBE

SN: 60001-UP

2шт.

Выбрано товаров: 43