Запчасти Komatsu WA500-6R УПРАВЛ-Е ТОРМОЗОМ (ДЛЯ ТОРМОЗ. СИСТЕМА ОХЛАЖДЕНИЯ) (ЗАДН. МОСТ ЛИНИЯ) (/)(№-) КАБИНА ОПЕРАТОРА И СИСТЕМА УПРАВЛЕНИЯ

Схема запчастей Komatsu WA500-6R - УПРАВЛ-Е ТОРМОЗОМ (ДЛЯ ТОРМОЗ. СИСТЕМА ОХЛАЖДЕНИЯ) (ЗАДН. МОСТ ЛИНИЯ) (/)(№-) КАБИНА ОПЕРАТОРА И СИСТЕМА УПРАВЛЕНИЯ
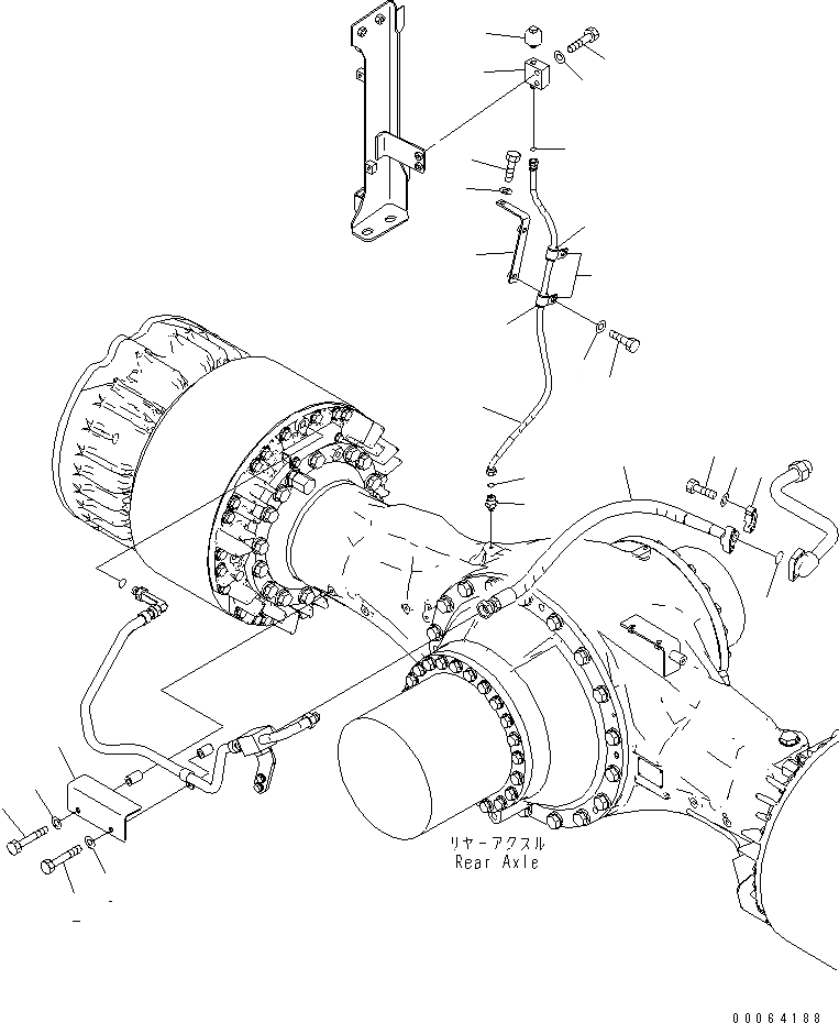
1
2
2
3
3
4
5
6
7
8
9
10
11
12
13
14
15
16
17
18
19
20
20
21
22
23
FIT
1:1
100%

Артикул

Название

Примечание

Количество

1

425-S05-3751

COVER

SN: 60001-UP

1шт.

2

01010-81085

BOLT

SN: 60001-UP

2шт.

3

01643-31032

WASHER

SN: 60001-UP

2шт.

4

425-S05-3951

HOSE

SN: 60001-UP

1шт.

5

07000-B3025

O-RING

SN: 60001-UP

1шт.

6

07371-30640

FLANGE,SPLIT

SN: 60001-UP

2шт.

7

07372-21035

BOLT

SN: 60001-UP

4шт.

8

01643-51032

WASHER

SN: 60001-UP

4шт.

9

56B-61-13960

NIPPLE

SN: 60001-UP

1шт.

10

02896-61008

O-RING

SN: 60001-UP

1шт.

11

425-60-35610

BLOCK

SN: 60001-UP

1шт.

12

02896-61008

O-RING

SN: 60001-UP

1шт.

13

01010-81045

BOLT

SN: 60001-UP

2шт.

14

01643-31032

WASHER

SN: 60001-UP

2шт.

15

425-S05-3781

HOSE

SN: 60001-UP

1шт.

16

425-S05-4141

BRACKET

SN: 60001-UP

1шт.

17

01010-81016

BOLT

SN: 60002-UP

2шт.

17

01010-81016

BOLT

SN: 60001-60001

1шт.

18

01643-31032

WASHER

SN: 60002-UP

2шт.

18

01643-31032

WASHER

SN: 60001-60001

1шт.

19

04434-51710

CLIP

SN: 60001-UP

2шт.

20

07095-20211

CUSHION

SN: 60001-UP

2шт.

21

01010-81025

BOLT

SN: 60001-UP

2шт.

22

01643-31032

WASHER

SN: 60001-UP

2шт.

23

07030-00252

BREATHER

SN: 60001-UP

1шт.

Выбрано товаров: 25