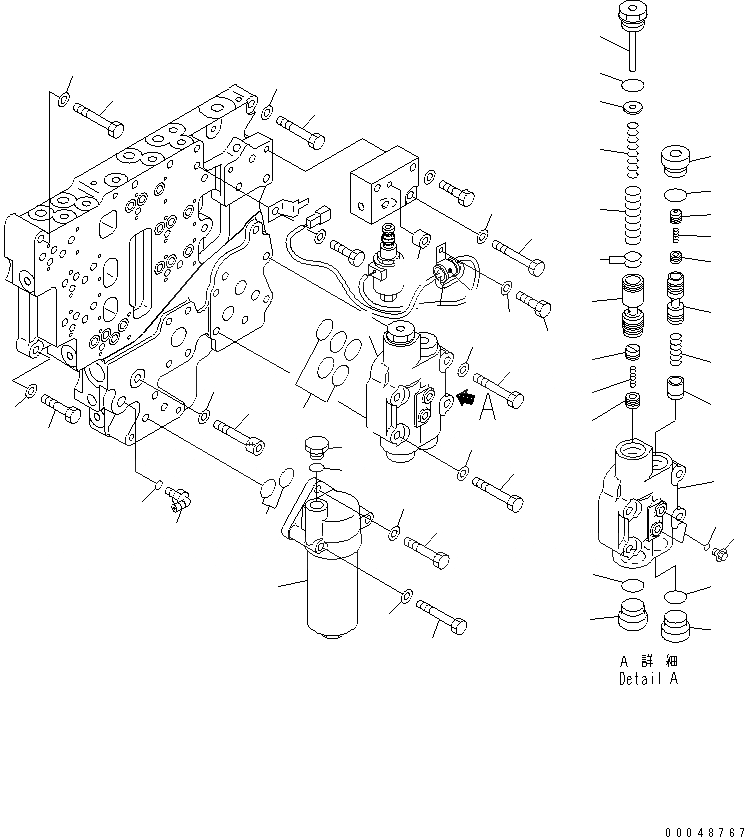
Запчасти Komatsu WA500-6R КЛАПАН УПРАВЛЕНИЯ ТРАНСМИССИЕЙ (ОСНОВН. РАЗГРУЗ. КЛАПАН)(№-) ГИДРОТРАНСФОРМАТОР И ТРАНСМИССИЯ

Схема запчастей Komatsu WA500-6R - КЛАПАН УПРАВЛЕНИЯ ТРАНСМИССИЕЙ (ОСНОВН. РАЗГРУЗ. КЛАПАН)(№-) ГИДРОТРАНСФОРМАТОР И ТРАНСМИССИЯ
1
1
2
3
4
5
6
7
8
9
10
11
12
13
14
15
16
17
18
19
20
21
22
22
23
23
24
25
26
27
28
29
30
31
32
33
34
35
36
37
38
39
40
41
42
43
44
45
46
47
48
49
50
51
52
53
FIT
1:1
100%

Артикул

Название

Примечание

Количество

|$2

425-15-31001

TRANSMISSION ASS'Y

SN: 60005-UP

1шт.

|$3

0

TRANSMISSION ASS'Y

SN: 60001-60004

1шт.

|$4

425-15-31011

TRANSMISSION ASS'Y,(WITH LOCK-UP)

SN: 60005-UP

1шт.

|$5

0

TRANSMISSION ASS'Y,(WITH LOCK-UP)

SN: 60001-60004

1шт.

|$$5

THESE ASSEMBLIES CONSIST OF ALL PARTS SHOWN IN FIGS.F4320-51A0 TO F4320-68A0.

-1шт.

|$8

425-15-35001

VALVE A.

SN: 60001-UP

1шт.

|$9

0

VALVE A.

SN: (60001-60004)

1шт.

|$$8

THESE ASSEMBLIES CONSISTS OF ALL PARTS SHOWN IN FIGS.F4320-64A0 TO F4320-66A0.

-1шт.

|$11

425-15-36101

VALVE ASS'Y

SN: 60001-UP

1шт.

1

714-24-26130

VALVE BODY

SN: 60001-UP

1шт.

2

708-8E-16150

PLUG

SN: 60001-UP

2шт.

3

07002-61023

O-RING (K3)

SN: 60001-UP

2шт.

4

14X-15-15850

PLUG

SN: 60001-UP

1шт.

5

07002-63034

O-RING (K3)

SN: 60001-UP

1шт.

6

426-15-45230

VALVE

SN: 60001-UP

1шт.

7

426-15-15490

VALVE

SN: 60001-UP

1шт.

8

562-15-16110

SPRING

SN: 60001-UP

1шт.

9

426-15-15480

VALVE

SN: 60001-UP

1шт.

10

56B-15-16660

SHIM, 0.50MM

SN: 60001-UP

7шт.

11

41E-15-16251

SPRING, (L=128.0)

SN: 60001-UP

1шт.

12

426-15-16261

SPRING, (L=108.0)

SN: 60001-UP

1шт.

13

22W-43-17330

WASHER

SN: 60001-UP

1шт.

14

426-15-15810

PLUG

SN: 60001-UP

1шт.

15

07002-63034

O-RING (K3)

SN: 60001-UP

1шт.

16

12H-15-14130

SPOOL

SN: 60001-UP

1шт.

17

104-15-25490

VALVE

SN: 60001-UP

1шт.

18

125-15-15290

SPRING

SN: 60001-UP

1шт.

19

104-15-25480

VALVE

SN: 60001-UP

1шт.

20

14X-15-16210

SPRING

SN: 60001-UP

1шт.

21

12H-15-14140

GUIDE

SN: 60001-UP

1шт.

22

14X-15-15850

PLUG

SN: 60001-UP

2шт.

23

07002-63034

O-RING (K3)

SN: 60001-UP

2шт.

24

07000-73030

O-RING (K3)

SN: 60001-UP

5шт.

25

01010-81065

BOLT

SN: 60001-UP

3шт.

26

01643-31032

WASHER

SN: 60001-UP

3шт.

27

569-15-51721

FILTER ASS'Y

SN: (101982)-UP

1шт.

27

569-15-51720

FILTER ASS'Y

SN: 60001-(101981)

1шт.

27

569-15-51731

ELEMENT ASS'Y

SN: 60005-UP

1шт.

27

0

ELEMENT ASS'Y

SN: 60001-60004

1шт.

27

07000-02060

O-RING

SN: 60001-UP

1шт.

28

07040-11812

PLUG

SN: 60001-UP

1шт.

29

07002-61823

O-RING (K3)

SN: 60001-UP

1шт.

30

01010-81080

BOLT

SN: 60001-UP

2шт.

31

01643-31032

WASHER

SN: 60001-UP

2шт.

32

07000-73022

O-RING (K3)

SN: 60001-UP

2шт.

33

04434-51710

CLIP

SN: 60001-UP

1шт.

34

07095-20211

CUSHION

SN: 60001-UP

1шт.

35

01010-81030

BOLT

SN: 60001-UP

1шт.

36

01643-31032

WASHER

SN: 60001-UP

1шт.

37

195-03-41520

COLLAR

SN: 60001-UP

1шт.

38

02782-1062A

ELBOW

SN: 60001-UP

1шт.

39

07002-62434

O-RING (K3)

SN: 60001-UP

1шт.

40

01010-81045

BOLT

SN: 60001-UP

1шт.

41

01643-31032

WASHER

SN: 60001-UP

1шт.

42

01010-81055

BOLT

SN: 60001-UP

1шт.

43

01643-31032

WASHER

SN: 60001-UP

1шт.

44

01010-81075

BOLT

SN: 60001-UP

8шт.

45

01643-31032

WASHER

SN: 60001-UP

8шт.

46

01252-71080

BOLT

SN: 60001-UP

1шт.

47

01643-31032

WASHER

SN: 60001-UP

1шт.

48

01010-81095

BOLT

SN: 60001-UP

1шт.

49

01643-31032

WASHER

SN: 60001-UP

1шт.

50

01011-81020

BOLT

SN: 60001-UP

1шт.

51

01643-31032

WASHER

SN: 60001-UP

1шт.

52

01011-81030

BOLT

SN: 60001-UP

1шт.

53

01643-31032

WASHER

SN: 60001-UP

1шт.

Выбрано товаров: 66