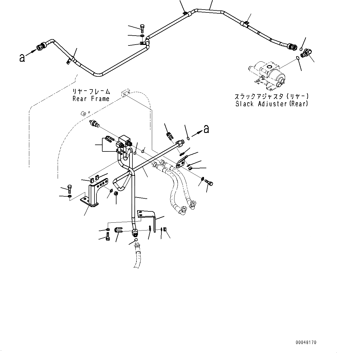
Запчасти Komatsu WA500-6R ТОРМОЗНАЯ ГИДРОЛИНИЯ, ЗАДН. ТОРМОЗНАЯ ГИДРОЛИНИЯ (/) (№-) ТОРМОЗНАЯ ГИДРОЛИНИЯ, БЕЗ ТОРМОЗ. МАСЛ. СИСТЕМА ОХЛАЖДЕНИЯ

Схема запчастей Komatsu WA500-6R - ТОРМОЗНАЯ ГИДРОЛИНИЯ, ЗАДН. ТОРМОЗНАЯ ГИДРОЛИНИЯ (/) (№-) ТОРМОЗНАЯ ГИДРОЛИНИЯ, БЕЗ ТОРМОЗ. МАСЛ. СИСТЕМА ОХЛАЖДЕНИЯ
17
5
22
1
2
3
4
6
7
8
9
10
11
12
13
14
15
16
18
19
20
21
22
23
24
25
26
29
30
31
32
6
6
4
2
6
27
28
FIT
1:1
100%

Артикул

Название

Примечание

Количество

1

425-43-37511

Tube

SN: 60010-UP

1шт.

2

02896-61012

O-ring

SN: 60010-UP

2шт.

3

425-43-37681

Tube

SN: 60010-UP

1шт.

4

02896-61012

O-ring

SN: 60010-UP

2шт.

5

425-43-37331

Tube

SN: 60010-UP

1шт.

6

04434-51510

Clip

SN: 60010-UP

5шт.

7

01010-81016

Bolt

SN: 60010-UP

5шт.

8

01643-31032

Washer

SN: 60010-UP

5шт.

9

425-43-37381

Plate

SN: 60010-UP

1шт.

10

01010-81020

Bolt

SN: 60010-UP

2шт.

11

01643-31032

Washer

SN: 60010-UP

2шт.

12

07283-31529

Clip, Pipe

SN: 60010-UP

1шт.

13

07283-51523

Seat

SN: 60010-UP

1шт.

14

01643-30823

Washer

SN: 60010-UP

2шт.

15

01596-00807

Nut

SN: 60010-UP

2шт.

16

02782-10422

Elbow

SN: 60010-UP

1шт.

17

07002-62034

O-ring

SN: 60010-UP

1шт.

18

02896-61012

O-ring

SN: 60010-UP

1шт.

19

425-43-38451

Bracket

SN: 60010-UP

1шт.

20

01010-81025

Bolt

SN: 60010-UP

2шт.

21

01643-31032

Washer

SN: 60010-UP

2шт.

22

07283-51523

Seat

SN: 60010-UP

2шт.

23

07283-31537

Clip

SN: 60010-UP

2шт.

24

01643-30823

Washer

SN: 60010-UP

4шт.

25

01596-00807

Nut

SN: 60010-UP

4шт.

26

425-43-38181

Plate

SN: 60010-UP

1шт.

27

01010-81025

Bolt

SN: 60010-UP

2шт.

28

01643-31032

Washer

SN: 60010-UP

2шт.

29

07283-51523

Seat

SN: 60010-UP

1шт.

30

07283-31529

Clip, Pipe

SN: 60010-UP

1шт.

31

01643-30823

Washer

SN: 60010-UP

2шт.

32

01596-00807

Nut

SN: 60010-UP

2шт.

Выбрано товаров: 32