Запчасти Komatsu WA500-6R ГИДРОТРАНСФОРМАТОР И ТРАНСМИССИЯ, КОРПУС ТРАНСМИССИИ (№-) ГИДРОТРАНСФОРМАТОР И ТРАНСМИССИЯ, БЛОКИР.UP ТИП, БЕЗ ЭКСТРЕНН. РУЛЕВ. УПРАВЛЕНИЕ, АВТОМАТИЧ. УПРАВЛ-Е ТИП

Схема запчастей Komatsu WA500-6R - ГИДРОТРАНСФОРМАТОР И ТРАНСМИССИЯ, КОРПУС ТРАНСМИССИИ (№-) ГИДРОТРАНСФОРМАТОР И ТРАНСМИССИЯ, БЛОКИР.UP ТИП, БЕЗ ЭКСТРЕНН. РУЛЕВ. УПРАВЛЕНИЕ, АВТОМАТИЧ. УПРАВЛ-Е ТИП
5
1
2
3
4
6
16
5
6
14
11
12
13
18
15
17
19
7
8
21
20
9
10
5
6
22
FIT
1:1
100%

Артикул

Название

Примечание

Количество

|$0

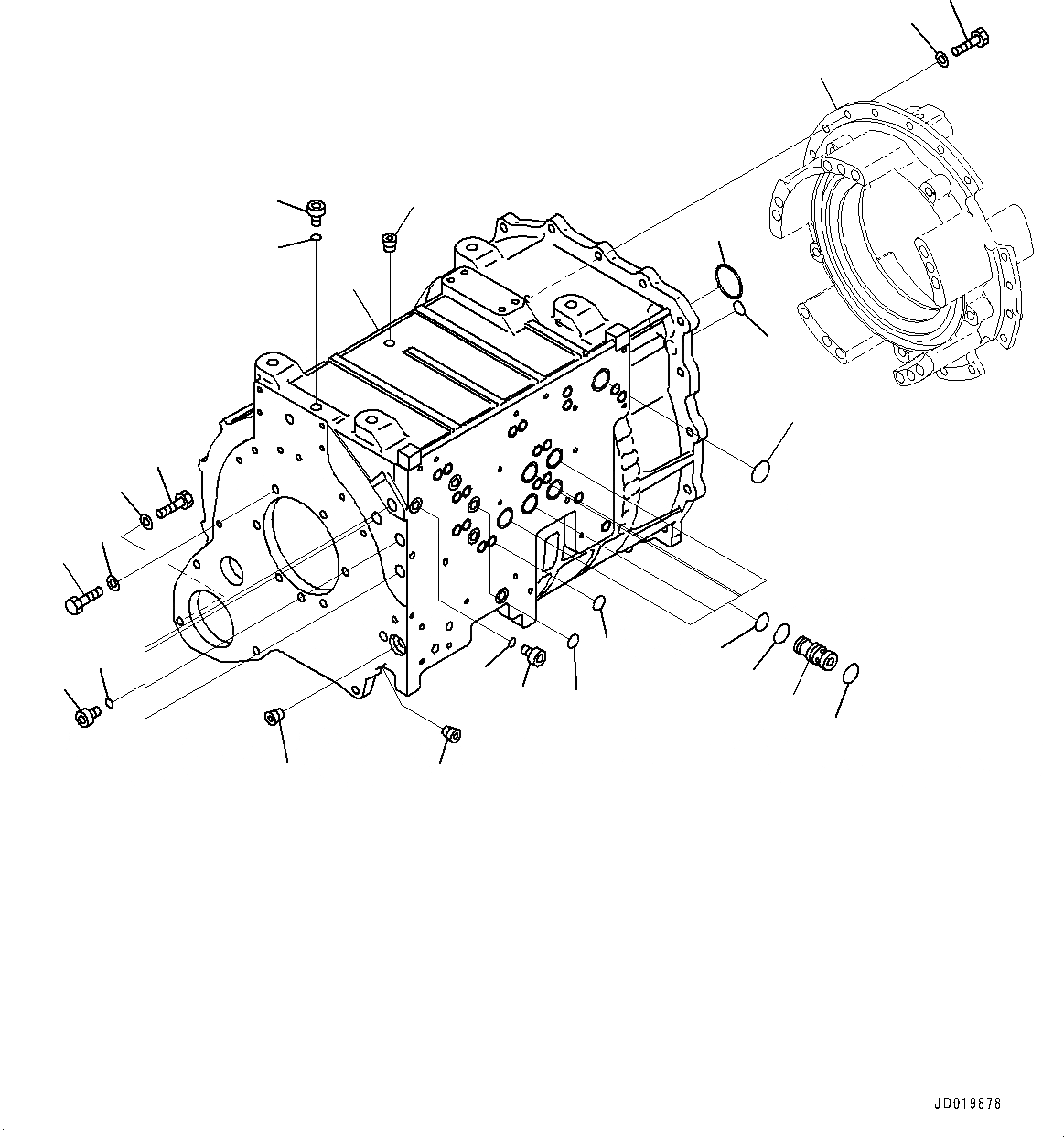
425-15-31011

Transmission Assembly, With Lockup

SN: 60010-(102872

1шт.

1

425-15-31114

Case

SN: (102814-(102872

1шт.

1

425-15-31113

Case

SN: 60010-(102813

1шт.

2

07043-70211

Plug

SN: 60010-(102872

1шт.

3

07043-70415

Plug

SN: 60010-(102872

1шт.

4

07043-70312

Plug

SN: 60010-(102872

1шт.

5

720-2M-11550

Plug

SN: 60010-(102872

6шт.

6

07002-62034

O-ring, (Kit : K06, K07)

SN: 60010-(102872

6шт.

7

01010-81240

Bolt

SN: 60010-(102872

18шт.

8

01643-31232

Washer

SN: 60010-(102872

18шт.

9

01010-81250

Bolt

SN: 60010-(102872

6шт.

10

01643-31232

Washer

SN: 60010-(102872

6шт.

11

425-15-31321

Sleeve

SN: 60010-(102872

5шт.

12

07000-72021

O-ring, (Kit : K06, K07)

SN: 60010-(102872

5шт.

13

07000-72018

O-ring, (Kit : K06, K07)

SN: 60010-(102872

5шт.

14

07000-73038

O-ring, (Kit : K06, K07)

SN: 60010-(102872

5шт.

15

07000-72015

O-ring, (Kit : K06, K07)

SN: 60010-(102872

20шт.

16

07000-73042

O-ring, (Kit : K06, K07)

SN: 60010-(102872

1шт.

17

07000-72022

O-ring, (Kit : K06, K07)

SN: 60010-(102872

4шт.

18

07000-72055

O-ring, (Kit : K06, K07)

SN: 60010-(102872

1шт.

19

07000-72020

O-ring, (Kit : K06, K07)

SN: 60010-(102872

1шт.

20

01010-81240

Bolt

SN: 60010-(102872

4шт.

21

01643-31232

Washer

SN: 60010-(102872

4шт.

22

425-15-31171

Housing

SN: UP

-1шт.

Выбрано товаров: 24