Запчасти Komatsu WA500-6R ГИДРОТРАНСФОРМАТОР И ТРАНСМИССИЯ, РАЗГРУЗ. КЛАПАН ГИДРОТРАНСФОРМАТОР И ТРАНСМИССИЯ, БЕЗ ЭКСТРЕНН. РУЛЕВ. УПРАВЛЕНИЕ, АВТОМАТИЧ. УПРАВЛ-Е ТИП

Схема запчастей Komatsu WA500-6R - ГИДРОТРАНСФОРМАТОР И ТРАНСМИССИЯ, РАЗГРУЗ. КЛАПАН ГИДРОТРАНСФОРМАТОР И ТРАНСМИССИЯ, БЕЗ ЭКСТРЕНН. РУЛЕВ. УПРАВЛЕНИЕ, АВТОМАТИЧ. УПРАВЛ-Е ТИП
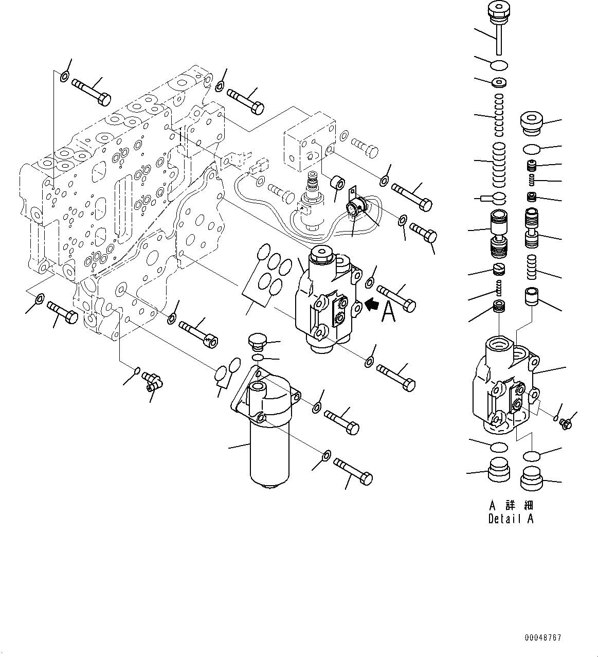
29
28
40
41
47
46
39
38
48
49
50
51
42
43
44
45
32
31
30
27
25
26
14
15
13
12
11
10
6
7
8
9
5
4
3
2
23
22
22
16
20
17
21
18
19
23
1
24
52
53
35
36
33
34
37
1
FIT
1:1
100%

Артикул

Название

Примечание

Количество

|$0

425-15-31001

Transmission Assembly

SN: (102873-UP

1шт.

|$1

425-15-35001

Valve Assembly

SN: (102873-UP

1шт.

|$2

425-15-36101

Valve Assembly, Relief

SN: (102873-UP

1шт.

1

714-24-26130

Valve Body

SN: (102873-UP

1шт.

2

708-8E-16150

Plug

SN: (102873-UP

2шт.

3

07002-61023

O-ring, (Kit : K09)

SN: (102873-UP

2шт.

4

14X-15-15850

Plug

SN: (102873-UP

1шт.

5

07002-63034

O-ring, (Kit : K09)

SN: (102873-UP

1шт.

6

426-15-45230

Valve

SN: (102873-UP

1шт.

7

426-15-15490

Valve

SN: (102873-UP

1шт.

8

562-15-16110

Spring

SN: (102873-UP

1шт.

9

426-15-15480

Valve

SN: (102873-UP

1шт.

10

56B-15-16660

Shim, T=0.50mm

SN: (102873-UP

7шт.

11

41E-15-16251

Spring, L=128mm

SN: (102873-UP

1шт.

12

426-15-16261

Spring, L=108.0mm

SN: (102873-UP

1шт.

13

22W-43-17330

Washer

SN: (102873-UP

1шт.

14

426-15-15810

Plug

SN: (102873-UP

1шт.

15

07002-63034

O-ring, (Kit : K09)

SN: (102873-UP

1шт.

16

12H-15-14130

Spool

SN: (102873-UP

1шт.

17

104-15-25490

Valve

SN: (102873-UP

1шт.

18

125-15-15290

Spring

SN: (102873-UP

1шт.

19

104-15-25480

Valve

SN: (102873-UP

1шт.

20

14X-15-16210

Spring

SN: (102873-UP

1шт.

21

12H-15-14140

Guide

SN: (102873-UP

1шт.

22

14X-15-15850

Plug

SN: (102873-UP

2шт.

23

07002-63034

O-ring, (Kit : K09)

SN: (102873-UP

2шт.

24

07000-73030

O-ring, (Kit : K09)

SN: (102873-UP

5шт.

25

01010-81065

Bolt

SN: (102873-UP

3шт.

26

01643-31032

Washer

SN: (102873-UP

3шт.

27

569-15-51721

Filter Assembly

SN: (102873-UP

1шт.

|$30

569-15-51732

Element Assembly

SN: (102873-UP

1шт.

|$31

07000-A2060

O-ring

SN: (102873-UP

1шт.

28

07040-11812

Plug

SN: (102873-UP

1шт.

29

07002-61823

O-ring, (Kit : K09)

SN: (102873-UP

1шт.

30

01010-81080

Bolt

SN: (102873-UP

2шт.

31

01643-31032

Washer

SN: (102873-UP

2шт.

32

07000-73022

O-ring, (Kit : K09)

SN: (102873-UP

2шт.

33

04434-51710

Clip

SN: (102873-UP

1шт.

34

07095-20211

Cushion

SN: (102873-UP

1шт.

35

01010-81030

Bolt

SN: (102873-UP

1шт.

36

01643-31032

Washer

SN: (102873-UP

1шт.

37

195-03-41520

Collar

SN: (102873-UP

1шт.

38

02782-1062A

Elbow

SN: (102873-UP

1шт.

39

07002-62434

O-ring, (Kit : K09)

SN: (102873-UP

1шт.

40

01010-81045

Bolt

SN: (102873-UP

1шт.

41

01643-31032

Washer

SN: (102873-UP

1шт.

42

01010-81055

Bolt

SN: (102873-UP

1шт.

43

01643-31032

Washer

SN: (102873-UP

1шт.

44

01010-81075

Bolt

SN: (102873-UP

8шт.

45

01643-31032

Washer

SN: (102873-UP

8шт.

46

01252-71080

Bolt, Hexagon Socket Head

SN: (102873-UP

1шт.

47

01643-31032

Washer

SN: (102873-UP

1шт.

48

01010-81095

Bolt

SN: (102873-UP

1шт.

49

01643-31032

Washer

SN: (102873-UP

1шт.

50

01011-81020

Bolt

SN: (102873-UP

1шт.

51

01643-31032

Washer

SN: (102873-UP

1шт.

52

01011-81030

Bolt

SN: (102873-UP

1шт.

53

01643-31032

Washer

SN: (102873-UP

1шт.

Выбрано товаров: 58