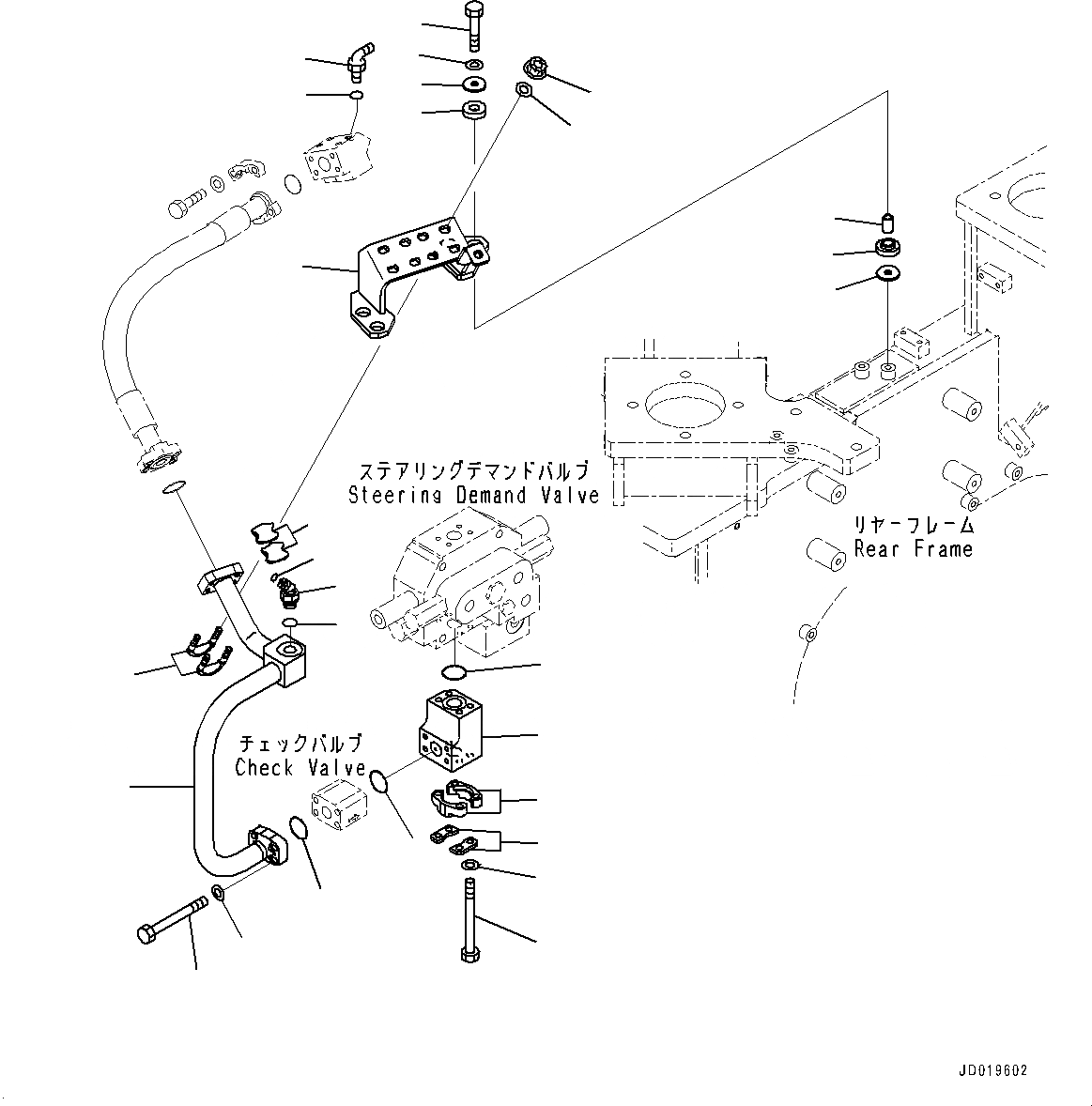
Запчасти Komatsu WA500-6R РУЛЕВ. УПРАВЛЕНИЕ ГИДРОЛИНИЯ, РУЛЕВ. УПРАВЛЕНИЕ ДРЕНАЖН. ТРУБЫ (№-) РУЛЕВ. УПРАВЛЕНИЕ ГИДРОЛИНИЯ, С ЭКСТРЕНН. УПРАВЛ., АВТОМАТИЧ. УПРАВЛ-Е ТИП

Схема запчастей Komatsu WA500-6R - РУЛЕВ. УПРАВЛЕНИЕ ГИДРОЛИНИЯ, РУЛЕВ. УПРАВЛЕНИЕ ДРЕНАЖН. ТРУБЫ (№-) РУЛЕВ. УПРАВЛЕНИЕ ГИДРОЛИНИЯ, С ЭКСТРЕНН. УПРАВЛ., АВТОМАТИЧ. УПРАВЛ-Е ТИП
24
25
14
15
18
19
1
2
3
4
5
6
7
8
9
10
11
12
13
16
17
20
21
22
23
13
27
26
FIT
1:1
100%

Артикул

Название

Примечание

Количество

|$0

702-13-23902

Valve Assembly

SN: 60010-UP

1шт.

1

07000-B3035

O-ring

SN: 60010-UP

1шт.

2

425-62-31961

Tube

SN: 60010-UP

1шт.

3

07000-B3035

O-ring

SN: 60010-UP

1шт.

4

01011-81005

Bolt

SN: 60010-UP

4шт.

5

01643-51032

Washer

SN: 60010-UP

4шт.

6

02783-10315

Elbow

SN: 60010-UP

1шт.

7

07002-62034

O-ring

SN: 60010-UP

1шт.

8

02896-61009

O-ring

SN: 60010-UP

1шт.

9

425-62-32261

Bracket

SN: 60010-UP

1шт.

10

417-54-12260

Spacer

SN: 60010-UP

4шт.

11

419-43-17930

Cushion

SN: 60010-UP

4шт.

12

417-62-13620

Cushion

SN: 60010-UP

4шт.

13

419-43-17920

Washer

SN: 60010-UP

8шт.

14

01010-81255

Bolt

SN: 60010-UP

4шт.

15

01643-31232

Washer

SN: 60010-UP

4шт.

16

07283-53444

Seat

SN: 60010-UP

2шт.

17

07283-33450

Clip

SN: 60010-UP

2шт.

18

01643-31032

Washer

SN: 60010-UP

4шт.

19

01597-01009

Nut

SN: 60010-UP

4шт.

20

207-62-71121

Block

SN: 60010-UP

1шт.

21

07000-B3035

O-ring

SN: 60010-UP

1шт.

22

07371-31049

Flange, Split

SN: 60010-UP

2шт.

23

425-62-32991

Plate

SN: 60010-UP

2шт.

24

01643-31032

Washer

SN: 60010-UP

4шт.

25

01011-81040

Bolt

SN: 60010-UP

4шт.

26

02782-10311

Elbow

SN: 60010-UP

1шт.

27

07002-61423

O-ring

SN: 60010-UP

1шт.

Выбрано товаров: 28