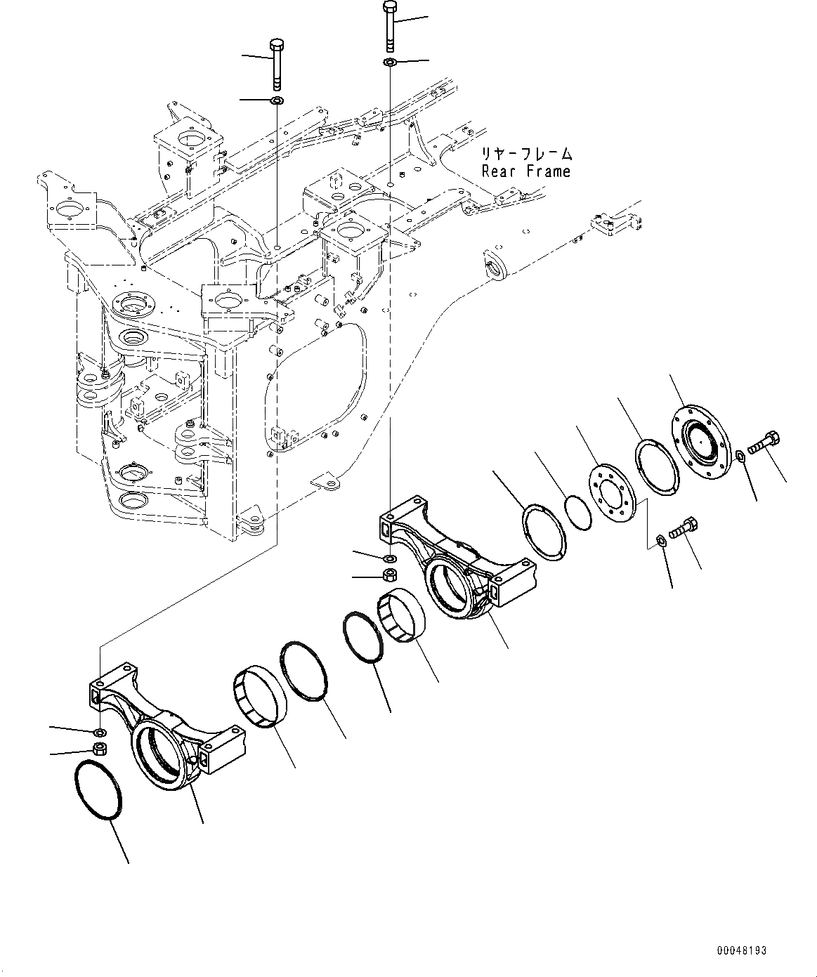
Запчасти Komatsu WA500-6R СУППОРТ МОСТА (№-) СУППОРТ МОСТА

Схема запчастей Komatsu WA500-6R - СУППОРТ МОСТА (№-) СУППОРТ МОСТА
15
15
17
17
7
14
8
7
11
12
13
9
10
4
16
1
3
2
3
17
6
5
16
17
FIT
1:1
100%

Артикул

Название

Примечание

Количество

1

425-46-32161

Support

SN: 60010-UP

1шт.

2

425-46-32220

Bushing

SN: 60010-UP

1шт.

3

425-46-32350

Packing

SN: 60010-UP

2шт.

4

425-46-32171

Support

SN: 60010-UP

1шт.

5

425-46-32230

Bushing

SN: 60010-UP

1шт.

6

425-46-32360

Packing

SN: 60010-UP

1шт.

7

425-46-32210

Washer, Thrust

SN: 60010-UP

2шт.

8

425-46-32240

Plate

SN: 60010-UP

1шт.

9

01010-61675

Bolt

SN: 60010-UP

8шт.

10

01643-31645

Washer

SN: 60010-UP

8шт.

11

425-46-42180

Cover

SN: 60018-UP

1шт.

11

425-46-12180

Cover

SN: 60010-60017

1шт.

12

01010-61655

Bolt

SN: 60010-UP

8шт.

13

01643-31645

Washer

SN: 60010-UP

8шт.

14

708-8F-31610

O-ring

SN: 60010-UP

1шт.

15

425-46-12371

Bolt

SN: 60010-UP

8шт.

16

01580-03024

Nut

SN: 60010-UP

8шт.

17

01643-33080

Washer

SN: 60010-UP

16шт.

Выбрано товаров: 18