Запчасти Komatsu WA500-7 ГИДРОТРАНСФОРМАТОР И ТРАНСМИССИЯ, РАЗГРУЗ. КЛАПАН КРЕПЛЕНИЕ ГИДРОТРАНСФОРМАТОР И ТРАНСМИССИЯ

Схема запчастей Komatsu WA500-7 - ГИДРОТРАНСФОРМАТОР И ТРАНСМИССИЯ, РАЗГРУЗ. КЛАПАН КРЕПЛЕНИЕ ГИДРОТРАНСФОРМАТОР И ТРАНСМИССИЯ
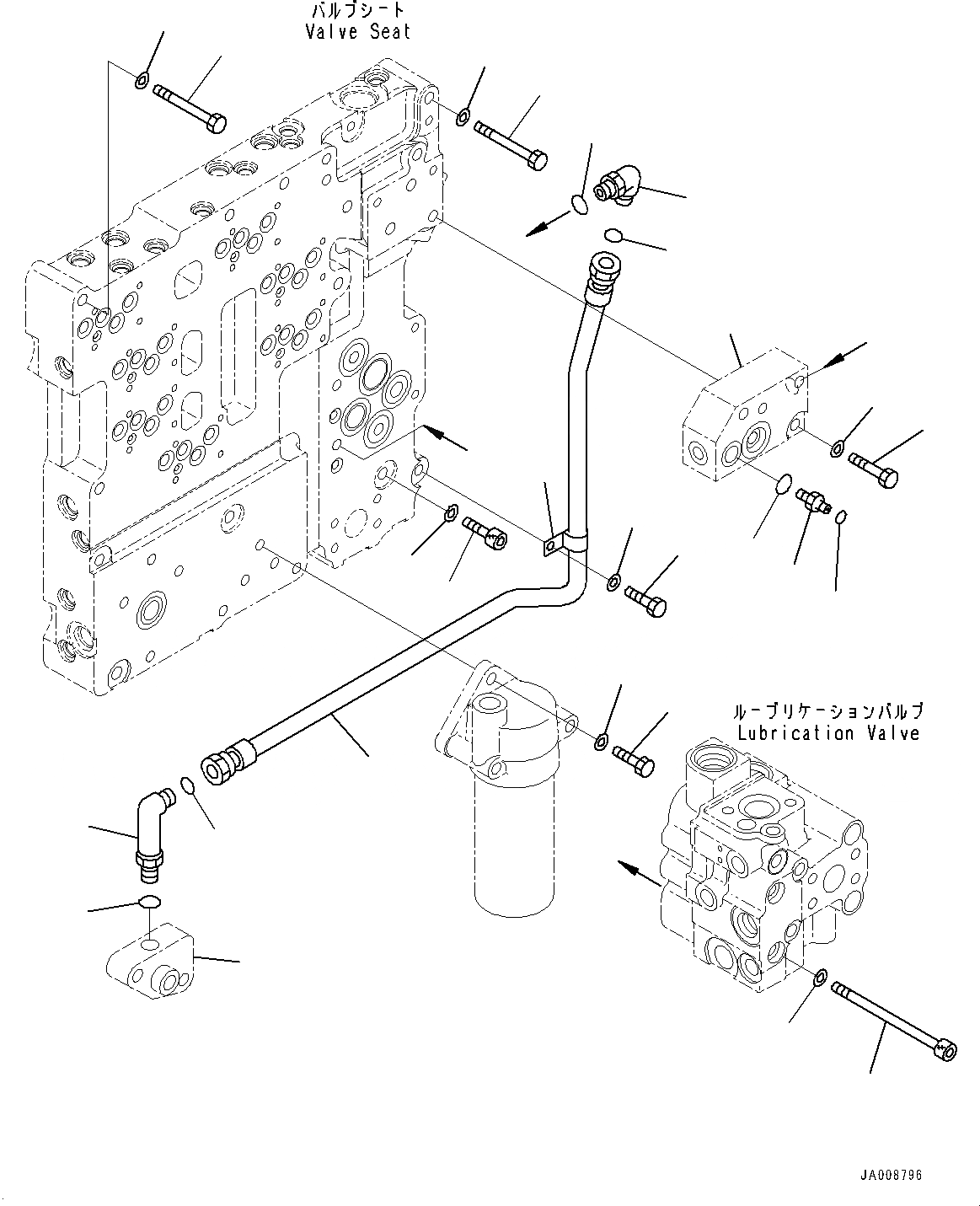
3
4
5
6
7
8
9
10
11
12
13
14
15
16
17
18
19
20
21
13
11
19
19
2
1
22
23
a
a
b
b
FIT
1:1
100%

Артикул

Название

Примечание

Количество

|$0

425-15-41010

Transmission Assembly

SN: 10001-UP

1шт.

1

01010-81075

Bolt

SN: 10001-UP

11шт.

2

01643-31032

Washer

SN: 10001-UP

11шт.

3

01010-81090

Bolt

SN: 10001-UP

1шт.

4

01643-31032

Washer

SN: 10001-UP

1шт.

5

01010-81055

Bolt

SN: 10001-UP

1шт.

6

01643-31032

Washer

SN: 10001-UP

1шт.

7

01011-81015

Bolt

SN: 10001-UP

1шт.

8

01643-31032

Washer

SN: 10001-UP

1шт.

9

01252-A1055

Bolt

SN: 10001-UP

1шт.

10

56B-15-36930

Bolt

SN: 10001-UP

1шт.

11

01643-51032

Washer

SN: 10001-UP

2шт.

12

425-15-48740

Tube

SN: 10001-UP

1шт.

13

02896-61009

O-Ring, (Kit : K03)

SN: 10001-UP

2шт.

14

04434-51510

Clip

SN: 10001-UP

1шт.

15

01010-81020

Bolt

SN: 10001-UP

1шт.

16

01643-31032

Washer

SN: 10001-UP

1шт.

17

02782-10311

Elbow

SN: 10001-UP

1шт.

18

02782-10312

Elbow

SN: 10001-UP

1шт.

19

07002-61423

O-Ring, (Kit : K03)

SN: 10001-UP

3шт.

20

425-15-48760

Nipple

SN: 10001-UP

1шт.

21

02896-11008

O-Ring, (Kit : K03)

SN: 10001-UP

1шт.

22

425-15-48751

Flange

-1шт.

23

425-15-45150

Block

-1шт.

Выбрано товаров: 24