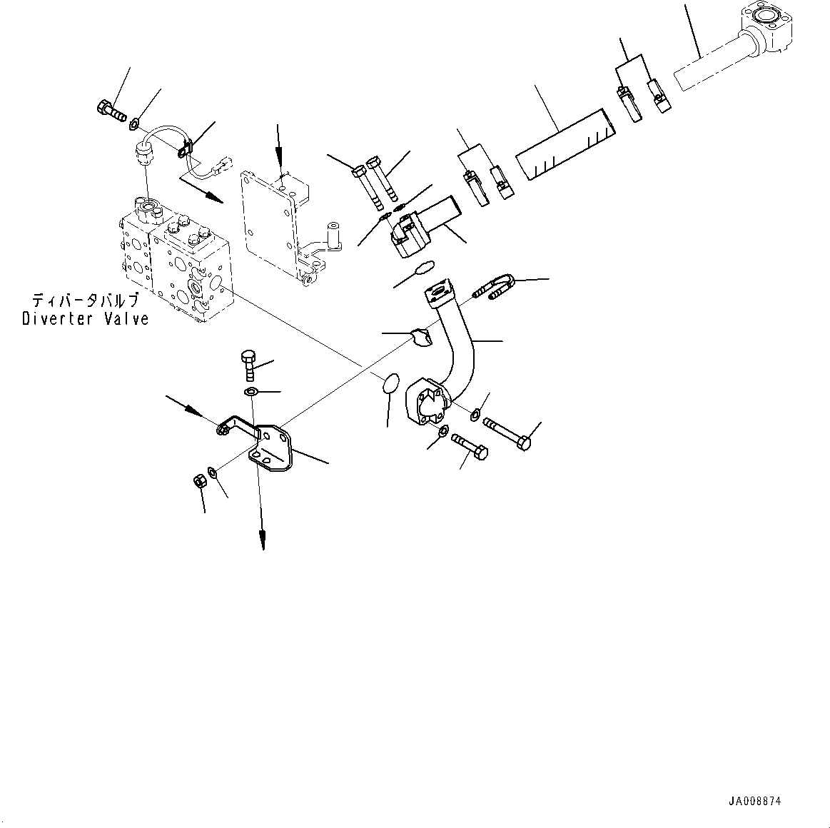
Запчасти Komatsu WA500-7 ГИДРОТРАНСФОРМАТОР И ТРАНСМИССИЯ, ВСАСЫВ. ТРУБЫ ГИДРОТРАНСФОРМАТОР И ТРАНСМИССИЯ

Схема запчастей Komatsu WA500-7 - ГИДРОТРАНСФОРМАТОР И ТРАНСМИССИЯ, ВСАСЫВ. ТРУБЫ ГИДРОТРАНСФОРМАТОР И ТРАНСМИССИЯ
3
4
6
9
10
11
12
13
14
16
17
18
20
21
19
15
2
8
7
5
2
1
24
23
22
25
a
a
b
b
FIT
1:1
100%

Артикул

Название

Примечание

Количество

1

07260-04120

Hose

SN: 10001-UP

1шт.

2

07289-00055

Clamp

SN: 10001-UP

4шт.

3

425-62-32321

Tube

SN: 10001-UP

1шт.

4

07000-B3036

O-Ring

SN: 10001-UP

1шт.

5

01010-81050

Bolt

SN: 10001-UP

2шт.

6

01643-31032

Washer

SN: 10001-UP

2шт.

7

01010-81070

Bolt

SN: 10001-UP

2шт.

8

01643-31032

Washer

SN: 10001-UP

2шт.

9

425-62-41530

Tube

SN: 10001-UP

1шт.

10

07000-B3036

O-Ring

SN: 10001-UP

1шт.

11

01010-81050

Bolt

SN: 10001-UP

2шт.

12

01643-31032

Washer

SN: 10001-UP

2шт.

13

01010-81070

Bolt

SN: 10001-UP

2шт.

14

01643-31032

Washer

SN: 10001-UP

2шт.

15

425-62-43490

Bracket

SN: 10001-UP

1шт.

16

01010-81030

Bolt

SN: 10001-UP

2шт.

17

01643-31032

Washer

SN: 10001-UP

2шт.

18

07283-54353

Seat

SN: 10001-UP

1шт.

19

07283-34354

Clip, Pipe

SN: 10001-UP

1шт.

20

01643-31032

Washer

SN: 10001-UP

2шт.

21

01597-01009

Nut

SN: 10001-UP

2шт.

22

600-051-2060

Clip

SN: 10001-UP

1шт.

23

01010-81020

Bolt

SN: 10001-UP

1шт.

24

01643-31032

Washer

SN: 10001-UP

1шт.

25

425-62-31522

Tube

-1шт.

Выбрано товаров: 25