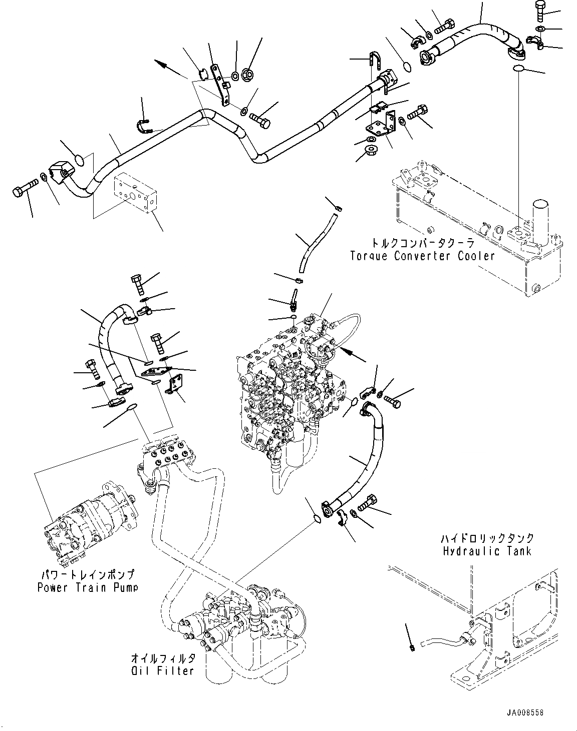
Запчасти Komatsu WA500-7 ГИДРОТРАНСФОРМАТОР И ТРАНСМИССИЯ МАСЛОПРОВОДЯЩАЯ ЛИНИЯ, ГИДРОТРАНСФОРМАТОР ЛИНИЯ ОХЛАЖДЕНИЯ (/) ГИДРОТРАНСФОРМАТОР И ТРАНСМИССИЯ МАСЛОПРОВОДЯЩАЯ ЛИНИЯ

Схема запчастей Komatsu WA500-7 - ГИДРОТРАНСФОРМАТОР И ТРАНСМИССИЯ МАСЛОПРОВОДЯЩАЯ ЛИНИЯ, ГИДРОТРАНСФОРМАТОР ЛИНИЯ ОХЛАЖДЕНИЯ (/) ГИДРОТРАНСФОРМАТОР И ТРАНСМИССИЯ МАСЛОПРОВОДЯЩАЯ ЛИНИЯ
12
13
17
18
1
2
3
4
5
6
7
9
10
11
14
15
16
17
18
8
20
21
22
23
24
25
26
27
19
49
39
38
37
29
28
31
36
35
32
32
34
33
30
45
46
47
48
50
47
41
44
43
42
44
43
42
41
40
47
a
a
FIT
1:1
100%

Артикул

Название

Примечание

Количество

1

07278-012A6

Hose

SN: 10001-UP

1шт.

2

07000-A3038

O-Ring

SN: 10001-UP

1шт.

3

07371-31255

Flange, Split

SN: 10001-UP

2шт.

4

07372-21035

Bolt

SN: 10001-UP

4шт.

5

01643-51032

Washer

SN: 10001-UP

4шт.

6

07000-A3038

O-Ring

SN: 10001-UP

1шт.

7

07372-21035

Bolt

SN: 10001-UP

4шт.

8

01643-51032

Washer

SN: 10001-UP

4шт.

9

07371-31255

Flange, Split

SN: 10001-UP

2шт.

10

425-16-31391

Tube

SN: 10001-UP

1шт.

11

07000-A3045

O-Ring

SN: 10001-UP

1шт.

12

01010-81260

Bolt

SN: 10001-UP

2шт.

13

01643-31232

Washer

SN: 10001-UP

2шт.

14

425-16-41410

Plate

SN: 10001-UP

1шт.

15

01010-81020

Bolt

SN: 10001-UP

2шт.

16

01643-31032

Washer

SN: 10001-UP

2шт.

17

07283-53444

Seat

SN: 10001-UP

2шт.

18

07283-33450

Clip

SN: 10001-UP

2шт.

19

01643-31032

Washer

SN: 10001-UP

4шт.

20

01597-01009

Nut

SN: 10001-UP

4шт.

21

07283-53444

Seat

SN: 10001-UP

1шт.

22

07283-33450

Clip

SN: 10001-UP

1шт.

23

01643-31032

Washer

SN: 10001-UP

2шт.

24

01597-01009

Nut

SN: 10001-UP

2шт.

25

425-16-41490

Bracket

SN: 10001-UP

1шт.

26

01010-81025

Bolt

SN: 10001-UP

1шт.

27

01643-31032

Washer

SN: 10001-UP

1шт.

28

07000-A3032

O-Ring

SN: 10001-UP

2шт.

29

425-62-42760

Plate

SN: 10001-UP

1шт.

30

425-16-42110

Hose

SN: 10001-UP

1шт.

31

07000-A3032

O-Ring

SN: 10001-UP

2шт.

32

07371-31049

Flange, Split

SN: 10001-UP

4шт.

33

07372-21040

Bolt

SN: 10001-UP

4шт.

34

01643-51032

Washer

SN: 10001-UP

4шт.

35

07372-31040

Bolt

SN: 10001-UP

4шт.

36

01643-51032

Washer

SN: 10001-UP

4шт.

37

425-62-42770

Bracket

SN: 10001-UP

1шт.

38

01010-81030

Bolt

SN: 10001-UP

2шт.

39

01643-31032

Washer

SN: 10001-UP

2шт.

40

425-16-42110

Hose

SN: 10001-UP

1шт.

41

07000-A3032

O-Ring

SN: 10001-UP

2шт.

42

07371-31049

Flange, Split

SN: 10001-UP

4шт.

43

07372-21035

Bolt

SN: 10001-UP

8шт.

44

01643-51032

Washer

SN: 10001-UP

8шт.

45

425-60-45410

Elbow

SN: 10001-UP

1шт.

46

07002-61423

O-Ring

SN: 10001-UP

1шт.

47

11Y-09-11140

Clip

SN: 10001-UP

3шт.

48

07260-20932

Hose

SN: 10001-UP

1шт.

49

425-15-33731

Block

-1шт.

50

425-15-45131

Seat, Valve

-1шт.

Выбрано товаров: 50