Запчасти Komatsu WA500-7 ОСНОВН. УПРАВЛЯЮЩ. КЛАПАН, С 2-Х СЕКЦИОНН. УПРАВЛЯЮЩ. КЛАПАН, ВНУТР. ЧАСТИ (/9) ОСНОВН. УПРАВЛЯЮЩ. КЛАПАН, С 2-Х СЕКЦИОНН. УПРАВЛЯЮЩ. КЛАПАН

Схема запчастей Komatsu WA500-7 - ОСНОВН. УПРАВЛЯЮЩ. КЛАПАН, С 2-Х СЕКЦИОНН. УПРАВЛЯЮЩ. КЛАПАН, ВНУТР. ЧАСТИ (/9) ОСНОВН. УПРАВЛЯЮЩ. КЛАПАН, С 2-Х СЕКЦИОНН. УПРАВЛЯЮЩ. КЛАПАН
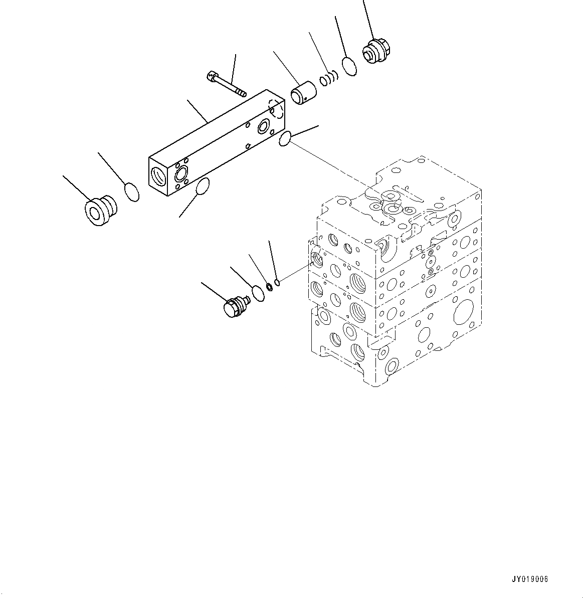
3
4
2
9
10
8
7
6
5
11
12
13
14
1
FIT
1:1
100%

Артикул

Название

Примечание

Количество

|$0

723-42-13700

Valve Assembly, Control

SN: 10001-UP

1шт.

1

01252-60860

Bolt

SN: 10001-UP

8шт.

2

Block

SN: 10001-UP

1шт.

3

07040-13316

Plug

SN: 10001-UP

1шт.

4

07002-13334

O-Ring

SN: 10001-UP

1шт.

5

706-75-74850

Plug

SN: 10001-UP

1шт.

6

07002-13334

O-Ring

SN: 10001-UP

1шт.

7

706-7G-71550

Spring

SN: 10001-UP

1шт.

8

Valve

SN: 10001-UP

1шт.

9

723-11-19110

O-Ring

SN: 10001-UP

1шт.

10

723-46-18720

O-Ring

SN: 10001-UP

1шт.

11

709-74-91510

Plug

SN: 10001-UP

1шт.

12

07000-13024

O-Ring

SN: 10001-UP

1шт.

13

07001-01009

Ring, Back-Up

SN: 10001-UP

1шт.

14

07000-11009

O-Ring

SN: 10001-UP

1шт.

Выбрано товаров: 0