Запчасти Komatsu WA500-7 CENTRAL СМАЗКА СИСТЕМА, ПЕРЕДН. РАМА ФИДЕР, ВНУТР. ЧАСТИ, (/) CENTRAL СМАЗКА СИСТЕМА

Схема запчастей Komatsu WA500-7 - CENTRAL СМАЗКА СИСТЕМА, ПЕРЕДН. РАМА ФИДЕР, ВНУТР. ЧАСТИ, (/) CENTRAL СМАЗКА СИСТЕМА
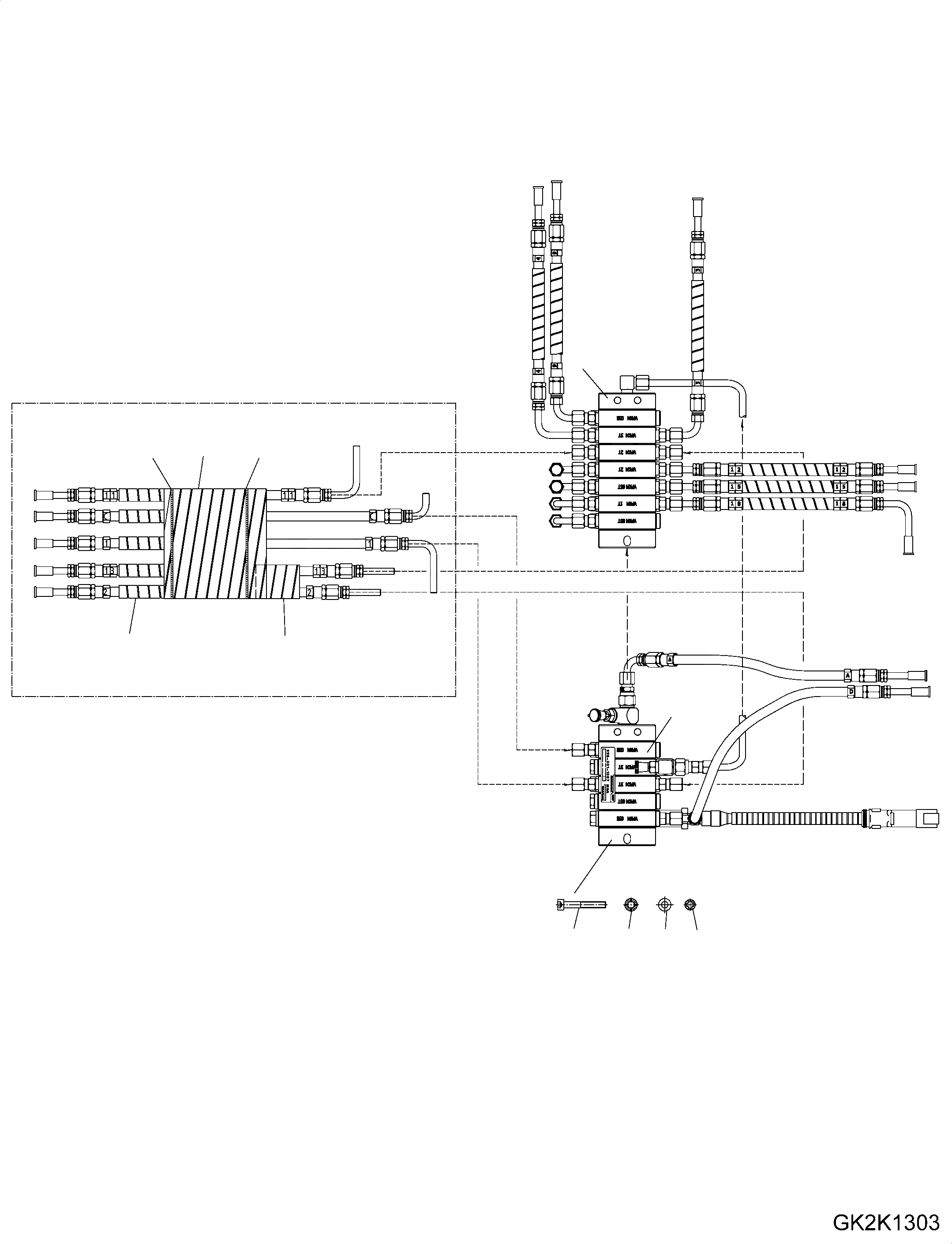
1
2
3
3
3
4
4
5
6
7
8
FIT
1:1
100%

Артикул

Название

Примечание

Количество

|$1

425-S95-7921

Feeder Assembly, Front

SN: 10001-UP

1шт.

1

425-S95-7941

Feeder Assembly

SN: 10001-UP

1шт.

2

425-S95-7931

Feeder Assembly

SN: 10001-UP

1шт.

3

42W-09-H0P11

Hose Protector, 10M, 10MM

SN: 10001-UP

-26шт.

3

42W-09-H0P12

Hose Protector, 10M, 16MM

SN: 10001-UP

-26шт.

4

42W-09-H0P26

Band

SN: 10001-UP

2шт.

5

42309H4690

Bolt

SN: 10001-UP

2шт.

6

419-09-H2860

Screw-Locking Device

SN: 10001-UP

2шт.

7

425-09-H0730

Distance Bushing

SN: 10001-UP

2шт.

8

419-09-H2840

Washer

SN: 10001-UP

2шт.

Выбрано товаров: 10