Качественные детали и логистика
Оригинальные и аналоговые запчасти с доставкой по России, Казахстану и Беларуси
©2022 PartSell ООО "Система" ИНН 2463123282 ОГРН 1212400004838
Центральный офис: г. Красноярск, Академика Киренского, д.87, пом.4
Телефон: 8 (800) 777-65-74 Email: zakaz@partsell.ru
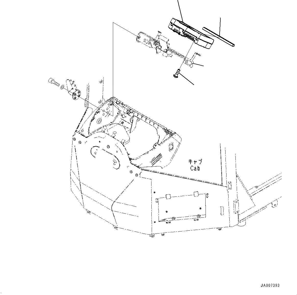
КАБИНА ROPS И ОСНОВН. КОНСТРУКЦИЯ ГРУППА, ОСНОВН. МОНИТОР
№
Артикул
Название
Примечание
Количество
1
7831-47-5000
Monitor
SN: 10001-UP
1шт.
2
01023-20614
Screw
8шт.
3
423-926-5210
Seal
4
423-926-5661
Bracket
-1шт.
Выбрано товаров: 0