Запчасти Komatsu WA500-7 КАБИНА ROPS И ОСНОВН. КОНСТРУКЦИЯ ГРУППА, ДЖОЙСТИК СИСТЕМАУПРАВЛЕНИЯ ПОВОРОТОМ, ЭЛЕКТРИЧ. ЧАСТИ (/) КАБИНА ROPS И ОСНОВН. КОНСТРУКЦИЯ ГРУППА, ДЖОЙСТИК СИСТЕМАУПРАВЛЕНИЯ ПОВОРОТОМ

Схема запчастей Komatsu WA500-7 - КАБИНА ROPS И ОСНОВН. КОНСТРУКЦИЯ ГРУППА, ДЖОЙСТИК СИСТЕМАУПРАВЛЕНИЯ ПОВОРОТОМ, ЭЛЕКТРИЧ. ЧАСТИ (/) КАБИНА ROPS И ОСНОВН. КОНСТРУКЦИЯ ГРУППА, ДЖОЙСТИК СИСТЕМАУПРАВЛЕНИЯ ПОВОРОТОМ
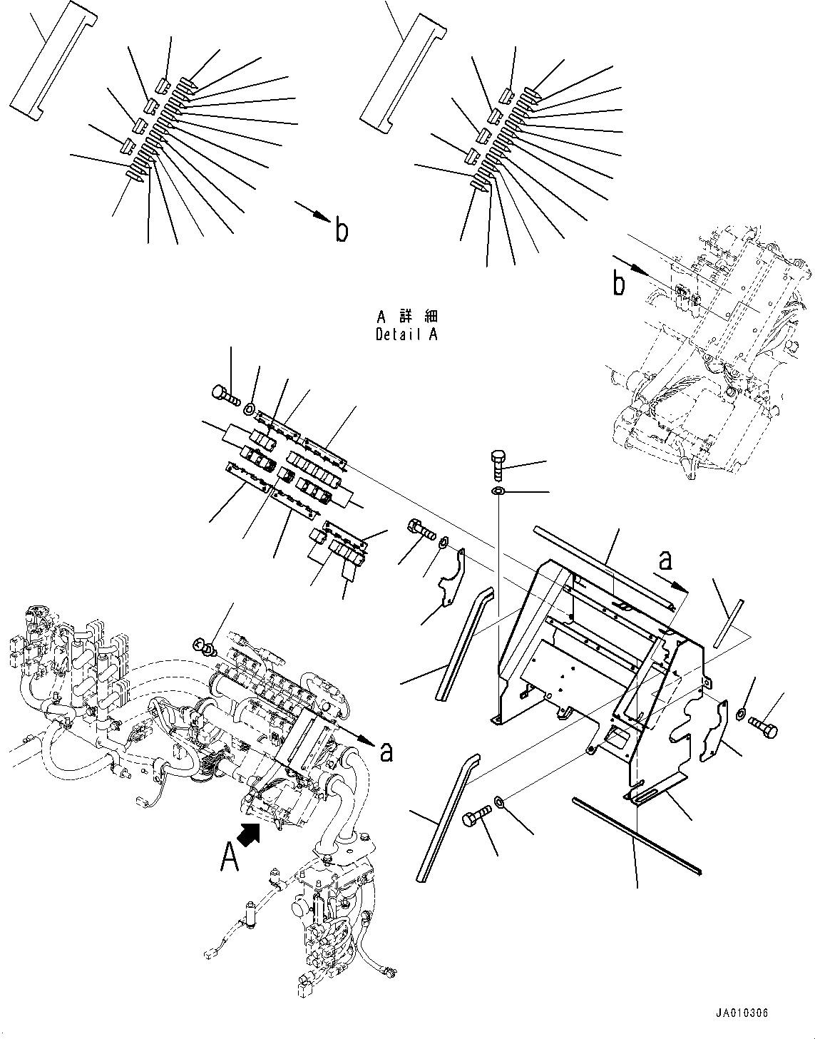
1
2
3
4
1
1
4
4
5
6
7
8
7
10
11
12
13
14
15
17
16
1
9
8
12
11
5
25
25
24
24
24
27
24
28
25
26
26
27
24
28
28
29
26
25
28
25
20
22
19
20
20
21
20
21
19
18
18
18
18
23
21
21
18
20
18
20
30
5
1
a
a
b
b
A
A
FIT
1:1
100%

Артикул

Название

Примечание

Количество

1

569-06-61180

Bracket

SN: 10001-UP

5шт.

2

01010-80616

Bolt

SN: 10001-UP

8шт.

3

01643-30623

Washer

SN: 10001-UP

8шт.

4

569-06-61960

Relay

SN: 10001-UP

14шт.

5

569-06-61970

Relay

SN: 10001-UP

4шт.

6

423-06-52621

Bracket

SN: 10001-UP

1шт.

7

01010-81020

Bolt

SN: 10001-UP

4шт.

8

01643-31032

Washer

SN: 10001-UP

4шт.

9

423-06-52731

Plate

SN: 10001-UP

1шт.

10

423-06-52741

Plate

SN: 10001-UP

1шт.

11

01010-80616

Bolt

SN: 10001-UP

4шт.

12

01643-30623

Washer

SN: 10001-UP

4шт.

13

423-06-52650

Seal

SN: 10001-UP

1шт.

14

423-06-52820

Seal

SN: 10001-UP

1шт.

15

423-06-52830

Seal

SN: 10001-UP

1шт.

16

423-06-52840

Finisher

SN: 10001-UP

1шт.

17

418-54-42380

Finisher

SN: 10001-UP

1шт.

18

08041-01000

Fuse, 10Amp.

SN: 10001-UP

6шт.

19

08041-01500

Fuse, 15Amp.

SN: 10001-UP

2шт.

20

08041-02000

Fuse, 20Amp.

SN: 10001-UP

6шт.

21

08041-03000

Fuse, 30Amp.

SN: 10001-UP

4шт.

22

08041-00500

Fuse, 5Amp.

SN: 10001-UP

1шт.

23

283-06-16120

Cover, Fuse Box 15Pole

SN: 10001-UP

1шт.

24

08041-01000

Fuse, 10Amp.

SN: 10001-UP

5шт.

25

08041-01500

Fuse, 15Amp.

SN: 10001-UP

5шт.

26

08041-02000

Fuse, 20Amp.

SN: 10001-UP

3шт.

27

08041-03000

Fuse, 30Amp.

SN: 10001-UP

2шт.

28

08041-00500

Fuse, 5Amp.

SN: 10001-UP

4шт.

29

283-06-16120

Cover, Fuse Box 15Pole

SN: 10001-UP

1шт.

30

01023-80620

Screw

SN: 10001-UP

4шт.

Выбрано товаров: 30