Запчасти Komatsu WA500-7 КАБИНА ROPS И ОСНОВН. КОНСТРУКЦИЯ ГРУППА, ДЖОЙСТИК СИСТЕМАУПРАВЛЕНИЯ ПОВОРОТОМ, ПЕРЕДН. COVER КАБИНА ROPS И ОСНОВН. КОНСТРУКЦИЯ ГРУППА, ДЖОЙСТИК СИСТЕМАУПРАВЛЕНИЯ ПОВОРОТОМ

Схема запчастей Komatsu WA500-7 - КАБИНА ROPS И ОСНОВН. КОНСТРУКЦИЯ ГРУППА, ДЖОЙСТИК СИСТЕМАУПРАВЛЕНИЯ ПОВОРОТОМ, ПЕРЕДН. COVER КАБИНА ROPS И ОСНОВН. КОНСТРУКЦИЯ ГРУППА, ДЖОЙСТИК СИСТЕМАУПРАВЛЕНИЯ ПОВОРОТОМ
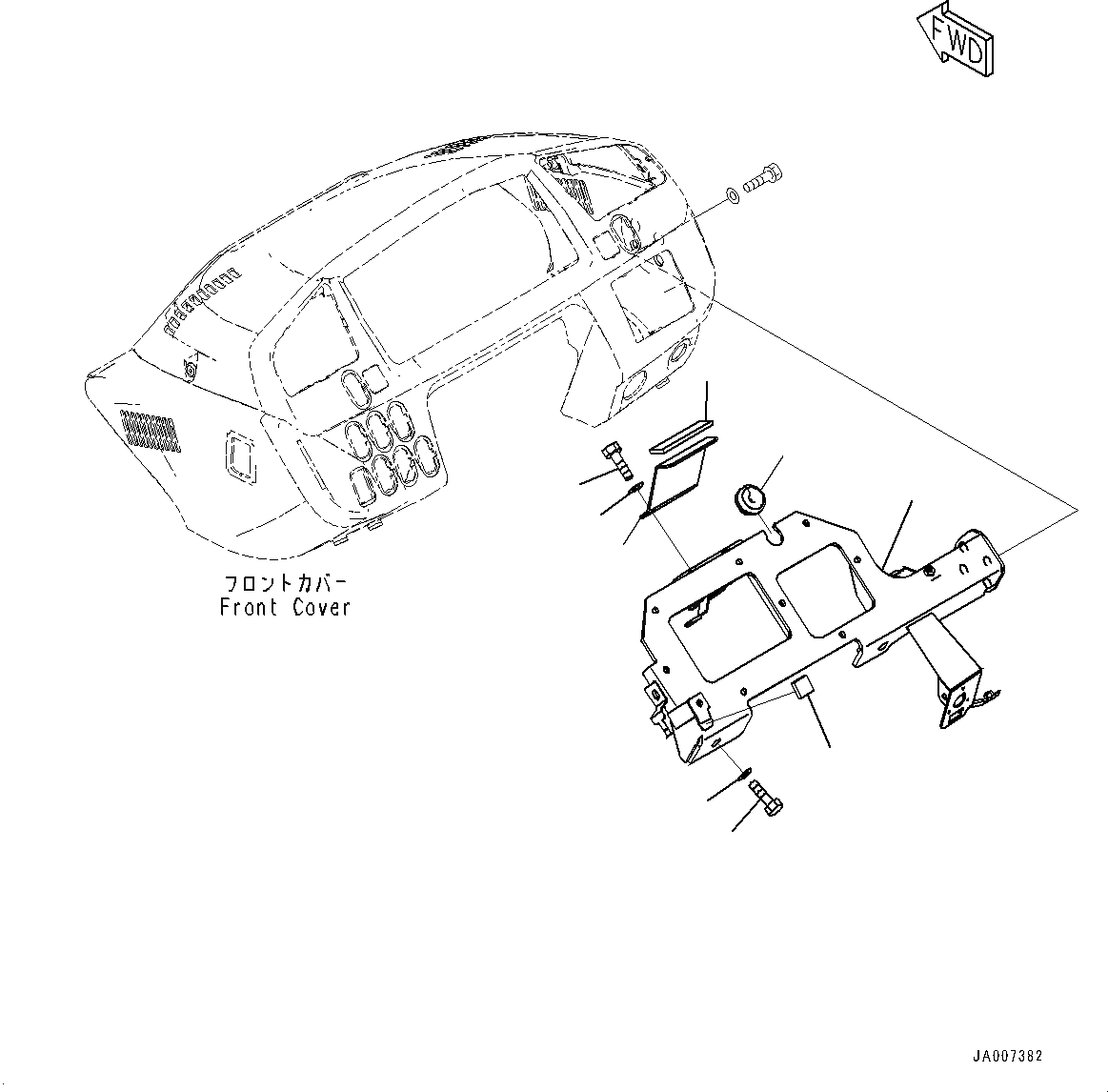
1
2
3
4
5
6
7
8
9
10
11
12
13
14
15
9
8
7
15
11
12
13
13
12
11
7
8
9
7
8
9
FIT
1:1
100%

Артикул

Название

Примечание

Количество

1

423-926-5521

Cover

SN: 10001-UP

1шт.

2

421-926-5541

Cover

SN: 10001-UP

1шт.

3

421-926-5552

Cover

SN: 10001-UP

1шт.

4

421-926-5562

Cover

SN: 10001-UP

1шт.

5

421-926-5572

Button

SN: 10001-UP

2шт.

6

423-926-5880

Cover

SN: 10001-UP

2шт.

7

01240-00620

Screw

SN: 10001-UP

6шт.

8

23S-55-51970

Washer

SN: 10001-UP

6шт.

9

20Y-43-41290

Collar

SN: 10001-UP

6шт.

10

207-54-16860

Grommet

SN: 10001-UP

1шт.

11

01245-00620

Screw

SN: 10001-UP

4шт.

12

01643-70623

Washer

SN: 10001-UP

4шт.

13

20Y-43-41290

Collar

SN: 10001-UP

4шт.

14

423-926-5391

Seal

SN: 10001-UP

3шт.

15

423-07-51630

Sheet

SN: 10001-UP

2шт.

Выбрано товаров: 15