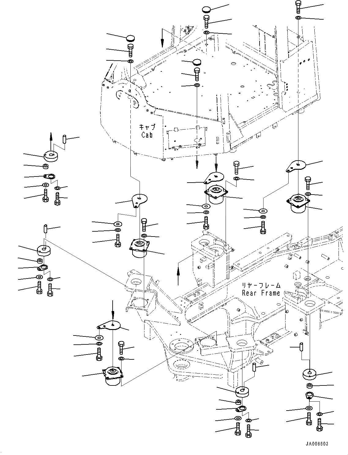
Запчасти Komatsu WA500-7 ПОЛ СУППОРТ ПОЛ СУППОРТ

Схема запчастей Komatsu WA500-7 - ПОЛ СУППОРТ ПОЛ СУППОРТ
17
18
1
5
4
1
6
7
9
10
18
18
8
6
6
7
17
11
14
15
13
12
7
6
16
5
4
19
21
19
21
22
2
3
1
21
20
19
20
20
18
16
14
15
13
11
10
9
16
9
21
20
19
16
10
13
12
11
15
14
9
10
11
12
13
15
14
3
2
1
12
a
a
b
b
c
c
FIT
1:1
100%

Артикул

Название

Примечание

Количество

1

423-54-53111

Viscous Mount

SN: 10001-UP

4шт.

2

01010-81235

Bolt

SN: 10001-UP

8шт.

3

01643-31232

Washer

SN: 10001-UP

8шт.

4

01010-81280

Bolt

SN: 10001-UP

8шт.

5

01643-31232

Washer

SN: 10001-UP

8шт.

6

01643-32060

Washer

SN: 10001-UP

4шт.

7

01010-82045

Bolt

SN: 10001-UP

3шт.

8

01010-82065

Bolt

SN: 10001-UP

1шт.

9

423-926-5970

Plate

SN: 10001-UP

4шт.

10

423-926-5980

Plate

SN: 10001-UP

4шт.

11

423-926-5140

Collar

SN: 10001-UP

4шт.

12

203-54-56970

Washer

SN: 10001-UP

4шт.

13

01010-81030

Bolt

SN: 10001-UP

4шт.

14

01643-33080

Washer

SN: 10001-UP

4шт.

15

01010-83090

Bolt

SN: 10001-UP

4шт.

16

04020-01024

Pin, Dowel

SN: 10001-UP

4шт.

17

09415-05022

Cap

SN: 10001-UP

2шт.

18

423-54-53131

Spacer

SN: 10001-UP

4шт.

19

01643-31032

Washer

SN: 10001-UP

4шт.

20

01010-80820

Bolt

SN: 10001-UP

4шт.

21

01643-30823

Washer

SN: 10001-UP

4шт.

22

09415-05016

Cap

SN: 10001-UP

1шт.

Выбрано товаров: 22