Запчасти Komatsu WA500-7 ТОРМОЗ. COMPO КОРПУС, КОРПУС ТОРМОЗ. COMPO КОРПУС

Схема запчастей Komatsu WA500-7 - ТОРМОЗ. COMPO КОРПУС, КОРПУС ТОРМОЗ. COMPO КОРПУС
1
2
3
4
5
6
6
7
FIT
1:1
100%

Артикул

Название

Примечание

Количество

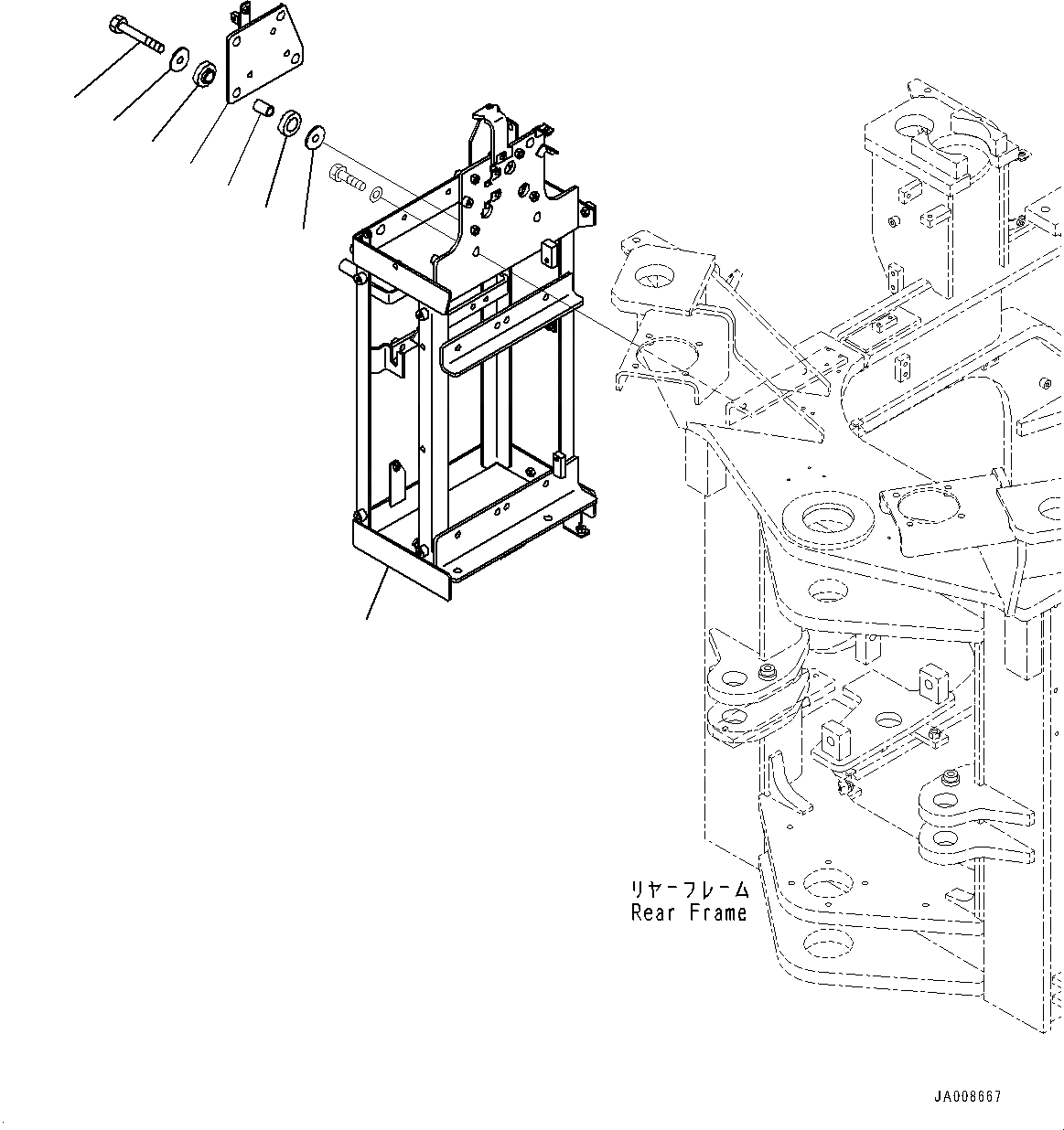
1

425-43-47610

Bracket

SN: 10001-UP

1шт.

2

425-43-48180

Bracket

SN: 10001-UP

1шт.

3

419-43-17930

Cushion

SN: 10001-UP

4шт.

4

417-54-12260

Spacer

SN: 10001-UP

4шт.

5

415-64-13130

Cushion

SN: 10001-UP

4шт.

6

419-43-17920

Washer

SN: 10001-UP

8шт.

7

01010-81260

Bolt

SN: 10001-UP

4шт.

Выбрано товаров: 7