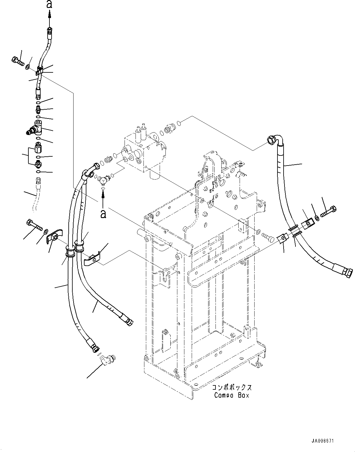
Запчасти Komatsu WA500-7 ТОРМОЗ. COMPO КОРПУС, ПОДАЧА ТРУБЫ (№-) ТОРМОЗ. COMPO КОРПУС

Схема запчастей Komatsu WA500-7 - ТОРМОЗ. COMPO КОРПУС, ПОДАЧА ТРУБЫ (№-) ТОРМОЗ. COMPO КОРПУС
1
2
6
9
10
3
4
5
8
16
20
11
13
12
15
14
2
7
8
7
17
18
19
21
24
22
23
26
25
FIT
1:1
100%

Артикул

Название

Примечание

Количество

1

425-43-48960

Hose

SN: 10001-UP

1шт.

2

425-62-42640

Clamp

SN: 10001-UP

2шт.

3

07095-00628

Cushion

SN: 10001-UP

1шт.

4

01010-81275

Bolt

SN: 10001-UP

1шт.

5

01643-31232

Washer

SN: 10001-UP

1шт.

6

425-43-48340

Hose

SN: 10001-UP

1шт.

7

425-43-48220

Clamp

SN: 10001-UP

2шт.

8

07095-00419

Cushion

SN: 10001-UP

2шт.

9

01010-81265

Bolt

SN: 10001-UP

1шт.

10

01643-31232

Washer

SN: 10001-UP

1шт.

11

425-43-48830

Hose

SN: 10001-UP

1шт.

12

425-43-48840

Hose

SN: 10001-UP

1шт.

13

04434-51910

Clip

SN: 10001-UP

1шт.

14

01010-81025

Bolt

SN: 10001-UP

1шт.

15

01643-31032

Washer

SN: 10001-UP

1шт.

16

07095-20213

Cushion

SN: 10001-UP

1шт.

17

23B-62-53430

Valve, Stop

SN: 10001-UP

1шт.

18

02781-0021D

Union

SN: 10001-UP

1шт.

19

02896-61008

O-ring

SN: 10001-UP

1шт.

20

07002-61423

O-ring

SN: 10001-UP

1шт.

21

421-43-37770

Valve, Check

SN: 10001-UP

1шт.

22

07002-12034

O-ring

SN: 10001-UP

1шт.

23

02896-61008

O-ring

SN: 10001-UP

1шт.

24

07002-62034

O-ring

SN: 10001-UP

1шт.

25

02782-10425

Elbow

SN: UP

-1шт.

26

425-43-48850

Hose

SN: UP

-1шт.

|$26

425-43-48850

Hose

SN: UP

-1шт.

Выбрано товаров: 27