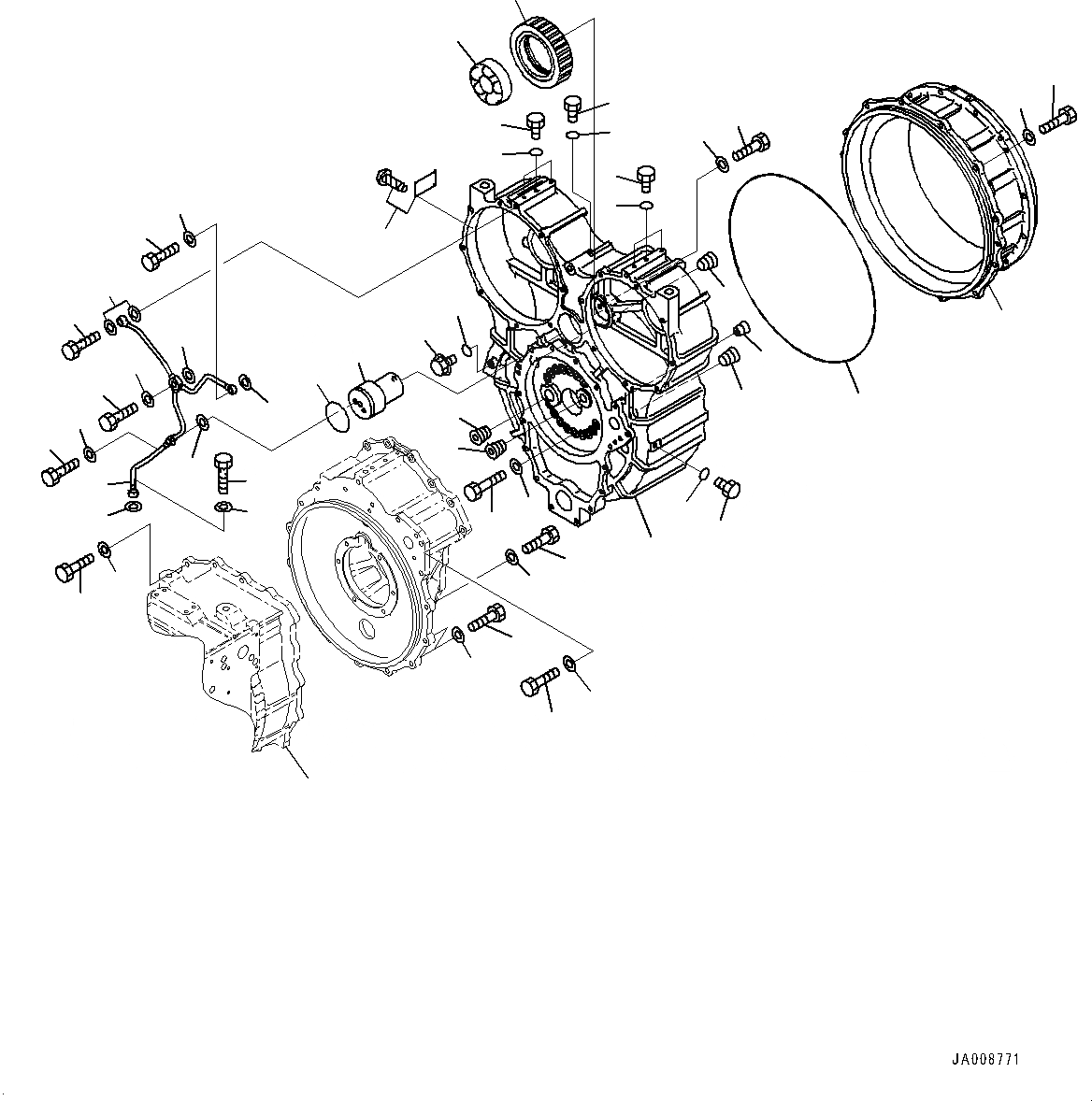
Запчасти Komatsu WA500-7 ГИДРОТРАНСФОРМАТОР И ТРАНСМИССИЯ, КОРПУС ГИДРОТРАНСФОРМАТОРА (/) (№-()) ГИДРОТРАНСФОРМАТОР И ТРАНСМИССИЯ, С ЭКСТРЕНН. УПРАВЛ., АВТОМАТИЧ. УПРАВЛ-Е ТИП

Схема запчастей Komatsu WA500-7 - ГИДРОТРАНСФОРМАТОР И ТРАНСМИССИЯ, КОРПУС ГИДРОТРАНСФОРМАТОРА (/) (№-()) ГИДРОТРАНСФОРМАТОР И ТРАНСМИССИЯ, С ЭКСТРЕНН. УПРАВЛ., АВТОМАТИЧ. УПРАВЛ-Е ТИП
7
1
2
3
7
8
9
10
11
14
15
18
19
20
21
26
27
28
29
6
5
7
4
5
4
5
4
17
16
36
34
32
32
32
31
22
23
33
34
35
36
32
31
30
23
22
13
12
35
36
37
25
24
FIT
1:1
100%

Артикул

Название

Примечание

Количество

|$0

425-13-41010

Torque Converter Assembly

SN: 10001-@

1шт.

1

425-13-43111

Case

SN: (100137-@

1шт.

1

425-13-43110

Case

SN: 10001-(100136

1шт.

2

07040-12412

Plug

SN: 10001-@

1шт.

3

07002-62434

O-ring, (Kit : K01)

SN: 10001-@

1шт.

4

07040-11007

Plug

SN: 10001-(100136

7шт.

5

07002-61023

O-ring, (Kit : K01)

SN: 10001-@

7шт.

6

425-13-33740

Plug

SN: 10001-@

1шт.

7

07043-71019

Plug

SN: 10001-@

3шт.

8

01010-81255

Bolt

SN: 10001-@

16шт.

9

01643-31232

Washer

SN: 10001-@

16шт.

10

425-13-44230

Gear

SN: 10001-@

1шт.

11

425-13-34250

Bearing

SN: 10001-@

1шт.

12

425-13-34240

Shaft

SN: 10001-@

1шт.

13

07000-72085

O-ring, (Kit : K01)

SN: 10001-@

1шт.

14

01010-81445

Bolt

SN: 10001-@

1шт.

15

01643-31445

Washer, Flat

SN: 10001-@

1шт.

16

01010-81240

Bolt

SN: 10001-@

17шт.

17

01643-31232

Washer

SN: 10001-@

17шт.

18

425-13-33122

Housing

SN: 10001-@

1шт.

19

561-15-69620

O-ring, (Kit : K01)

SN: 10001-@

1шт.

20

01010-81240

Bolt

SN: 10001-@

10шт.

21

01643-31232

Washer

SN: 10001-@

10шт.

22

01010-81240

Bolt

SN: 10001-@

12шт.

23

01643-31232

Washer

SN: 10001-@

12шт.

24

01010-81255

Bolt

SN: 10001-@

2шт.

25

01643-31232

Washer

SN: 10001-@

2шт.

26

09607-05080

Plate, Name (Limited Supply)

SN: 10001-@

1шт.

26

04418-13060

Screw

SN: 10001-@

4шт.

27

708-8E-16150

Plug

SN: 10001-@

1шт.

28

07002-61023

O-ring, (Kit : K01)

SN: 10001-@

1шт.

29

714-23-17320

Plug

SN: 10001-@

1шт.

30

425-13-33722

Tube

SN: 10001-@

1шт.

31

07206-31014

Bolt, Joint

SN: 10001-@

2шт.

32

07005-01412

Seal, Washer, (Kit : K01)

SN: 10001-@

4шт.

33

07206-31216

Bolt, Joint

SN: 10001-@

1шт.

34

07005-01612

Seal, Washer, (Kit : K01)

SN: 10001-@

2шт.

35

07206-30812

Bolt, Joint

SN: 10001-@

2шт.

36

07005-01212

Seal, Washer, (Kit : K01)

SN: 10001-@

4шт.

37

425-15-41110

Case

SN: UP

-1шт.

Выбрано товаров: 40