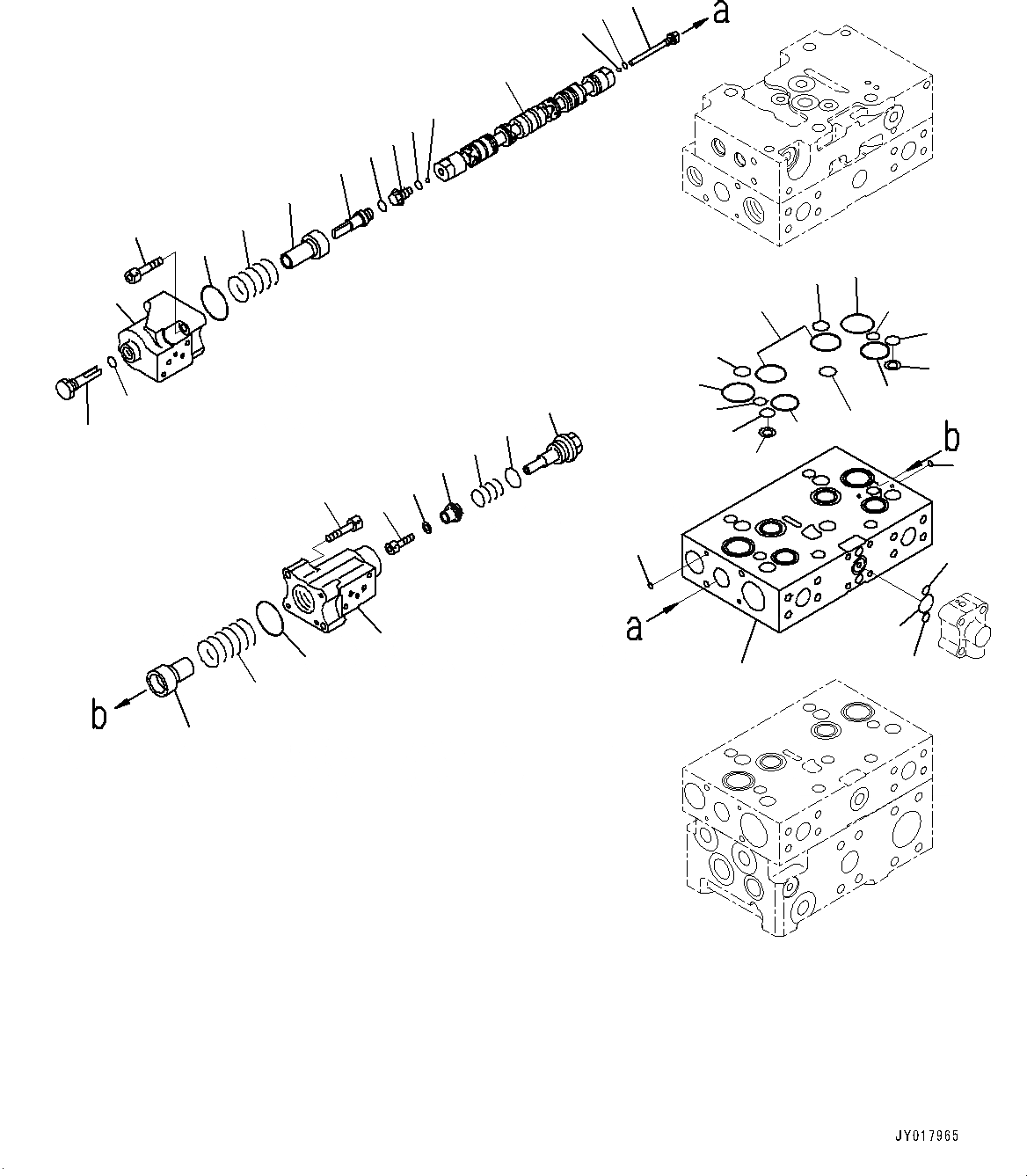
Запчасти Komatsu WA500-7 УПРАВЛЯЮЩ. КЛАПАН, -КЛАПАН (7/) (№-) УПРАВЛЯЮЩ. КЛАПАН, С ECSS

Схема запчастей Komatsu WA500-7 - УПРАВЛЯЮЩ. КЛАПАН, -КЛАПАН (7/) (№-) УПРАВЛЯЮЩ. КЛАПАН, С ECSS
22
19
18
17
16
15
14
13
12
20
21
27
25
25
26
26
32
1
33
33
29
30
34
28
31
32
34
29
28
30
33
24
23
21
11
10
9
3
7
8
22
2
5
8
7
6
4
FIT
1:1
100%

Артикул

Название

Примечание

Количество

|$0

723-43-13700

Valve Assembly, Control

SN: 10001-UP

1шт.

|$1

Body Subassembly

SN: 10001-UP

1шт.

1

Block, Valve

SN: 10001-UP

1шт.

2

Spool

SN: 10001-UP

1шт.

3

Plug

SN: 10001-UP

1шт.

4

Plug

SN: 10001-UP

1шт.

5

Plug

SN: 10001-UP

1шт.

6

O-ring

SN: 10001-UP

1шт.

7

O-ring

SN: 10001-UP

2шт.

8

Ball

SN: 10001-UP

2шт.

9

723-46-16680

Retainer

SN: 10001-UP

1шт.

10

723-46-14170

Spring

SN: 10001-UP

1шт.

11

723-46-16621

Case

SN: 10001-UP

1шт.

12

723-46-16690

Retainer

SN: 10001-UP

1шт.

13

723-46-14361

Spring

SN: 10001-UP

1шт.

14

723-46-16360

Plug

SN: 10001-UP

1шт.

15

07000-13024

O-ring

SN: 10001-UP

1шт.

16

723-46-16710

Retainer

SN: 10001-UP

1шт.

17

723-46-14370

Spring

SN: 10001-UP

1шт.

18

01252-60616

Bolt, Hexagon Socket Head

SN: 10001-UP

1шт.

19

01643-30623

Washer

SN: 10001-UP

1шт.

20

723-46-16641

Case

SN: 10001-UP

1шт.

21

07430-71380

O-ring

SN: 10001-UP

2шт.

22

01252-60840

Bolt, Hexagon Socket Head

SN: 10001-UP

4шт.

23

723-46-16570

Plug

SN: 10001-UP

1шт.

24

07002-11423

O-ring

SN: 10001-UP

1шт.

25

07000-11008

O-ring

SN: 10001-UP

6шт.

26

07000-11009

O-ring

SN: 10001-UP

2шт.

27

07000-12021

O-ring

SN: 10001-UP

1шт.

28

723-46-17530

O-ring

SN: 10001-UP

2шт.

29

723-11-19130

O-ring

SN: 10001-UP

2шт.

30

723-46-17520

Ring, Back-up

SN: 10001-UP

2шт.

31

723-46-16520

O-ring

SN: 10001-UP

2шт.

32

723-46-17510

O-ring

SN: 10001-UP

2шт.

33

722-12-19070

O-ring

SN: 10001-UP

3шт.

34

723-26-15830

O-ring

SN: 10001-UP

2шт.

Выбрано товаров: 36