Запчасти Komatsu WA500-7 КАБИНА ROPS И ОСНОВН. КОНСТРУКЦИЯ ГРУППА, ОСНОВН. МОНИТОР (№-) КАБИНА ROPS И ОСНОВН. КОНСТРУКЦИЯ ГРУППА, С ДЖОЙСТИК СИСТЕМАУПРАВЛЕНИЯ ПОВОРОТОМ, АВТОМАТИЧ.-СИСТ. СМАЗКИ СИСТЕМА, PROVISION ДЛЯ ДОПОЛН. ЛАМПА РАБОЧ. ОСВЕЩЕНИЯ, КАБИНА

Схема запчастей Komatsu WA500-7 - КАБИНА ROPS И ОСНОВН. КОНСТРУКЦИЯ ГРУППА, ОСНОВН. МОНИТОР (№-) КАБИНА ROPS И ОСНОВН. КОНСТРУКЦИЯ ГРУППА, С ДЖОЙСТИК СИСТЕМАУПРАВЛЕНИЯ ПОВОРОТОМ, АВТОМАТИЧ.-СИСТ. СМАЗКИ СИСТЕМА, PROVISION ДЛЯ ДОПОЛН. ЛАМПА РАБОЧ. ОСВЕЩЕНИ
2
3
1
4
FIT
1:1
100%

Артикул

Название

Примечание

Количество

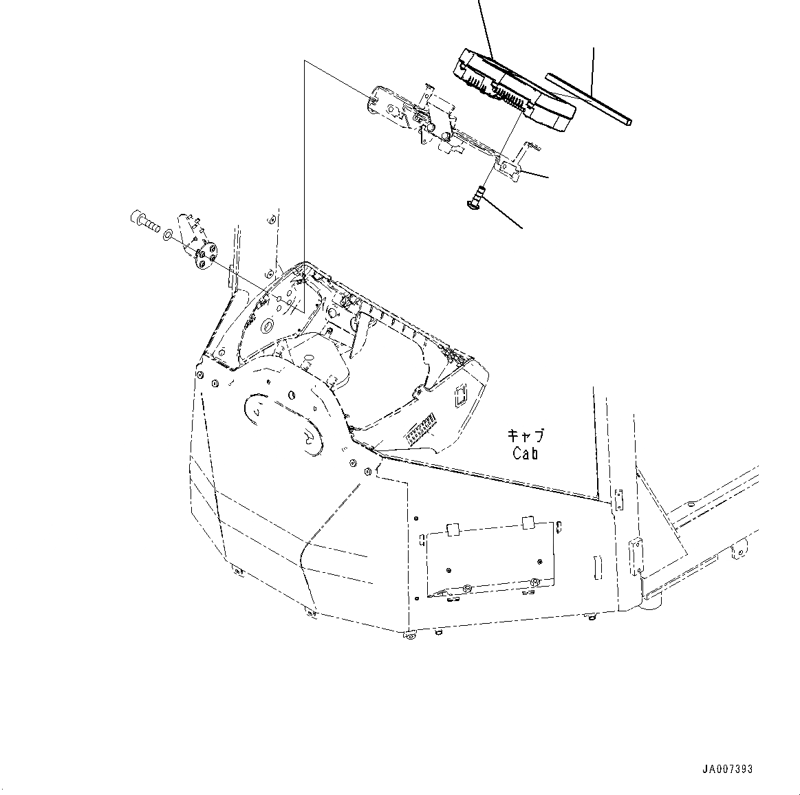
1

7831-47-5000

Monitor

SN: 10001-UP

1шт.

2

01023-20614

Screw

SN: 10001-UP

8шт.

3

423-926-5210

Seal

SN: 10001-UP

1шт.

4

423-926-5661

Bracket

SN: UP

-1шт.

Выбрано товаров: 4