Запчасти Komatsu WA500-7 КАБИНА ROPS И ОСНОВН. КОНСТРУКЦИЯ ГРУППА, МОНИТОР КРЕПЛЕНИЕ (№-) КАБИНА ROPS И ОСНОВН. КОНСТРУКЦИЯ ГРУППА, С ДЖОЙСТИК СИСТЕМАУПРАВЛЕНИЯ ПОВОРОТОМ, SEPARATE ТИП КАБИНА ROPS, ЭКСТРЕНН. ESКРЫШКАE ПРАВ. ДВЕРЬ

Схема запчастей Komatsu WA500-7 - КАБИНА ROPS И ОСНОВН. КОНСТРУКЦИЯ ГРУППА, МОНИТОР КРЕПЛЕНИЕ (№-) КАБИНА ROPS И ОСНОВН. КОНСТРУКЦИЯ ГРУППА, С ДЖОЙСТИК СИСТЕМАУПРАВЛЕНИЯ ПОВОРОТОМ, SEPARATE ТИП КАБИНА ROPS, ЭКСТРЕНН. ESКРЫШКАE ПРАВ. ДВЕРЬ
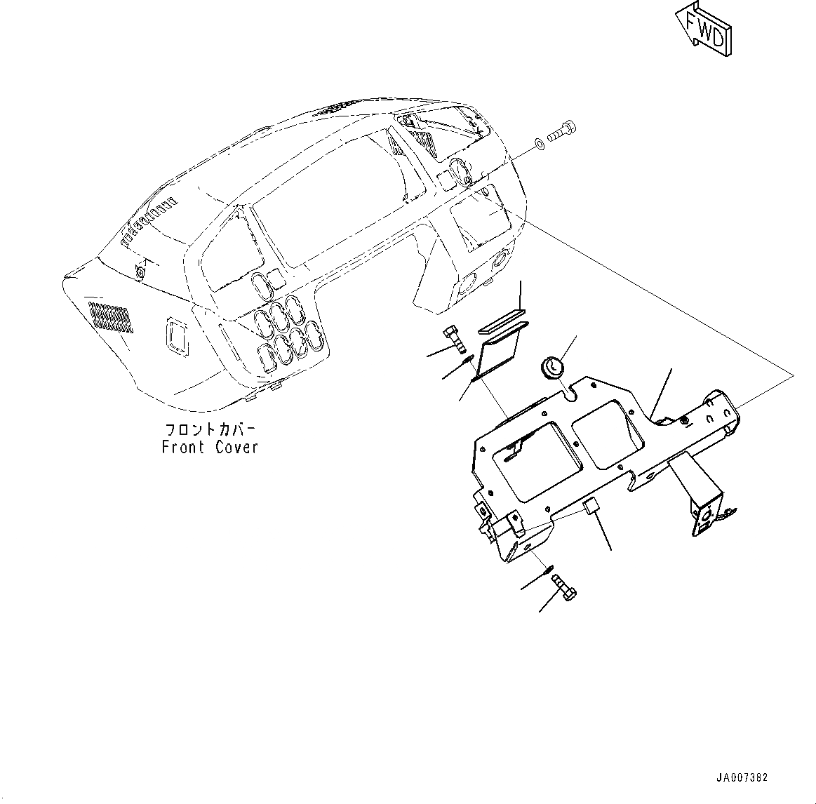
1
2
3
4
5
6
7
8
9
FIT
1:1
100%

Артикул

Название

Примечание

Количество

1

423-926-5661

Bracket

SN: 10001-UP

1шт.

2

01010-81025

Bolt

SN: 10001-UP

2шт.

3

01643-31032

Washer

SN: 10001-UP

2шт.

4

135-06-34260

Grommet

SN: 10001-UP

1шт.

5

421-926-5510

Seal

SN: 10001-UP

1шт.

6

423-925-5341

Plate

SN: 10001-UP

1шт.

7

423-925-5790

Seal

SN: 10001-UP

1шт.

8

01010-81025

Bolt

SN: 10001-UP

2шт.

9

01643-31032

Washer

SN: 10001-UP

2шт.

Выбрано товаров: 9