Запчасти Komatsu WA500-7 F-A КОРПУС ГИДРОТРАНСФОРМАТОРА (/) СИЛОВАЯ ПЕРЕДАЧА И КОНЕЧНАЯ ПЕРЕДАЧА

Схема запчастей Komatsu WA500-7 - F-A КОРПУС ГИДРОТРАНСФОРМАТОРА (/) СИЛОВАЯ ПЕРЕДАЧА И КОНЕЧНАЯ ПЕРЕДАЧА
7
6
8
1
23
3
24
2
9
4
6
5
18
17
18
20
19
20
10
22
11
21
12
15
13
16
14
11
FIT
1:1
100%

Артикул

Название

Примечание

Количество

|$33

TORQUE CONVERTER (SEE FIG. F4300-01A0 )

0

-1шт.

1

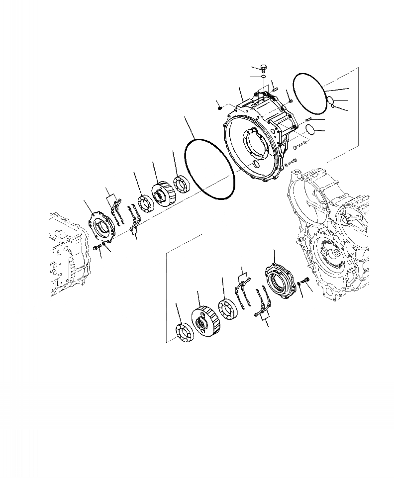
425-13-43130

CASE

1шт.

2

07000-72055

O-RING

1шт.

3

07000-75320

O-RING

1шт.

4

07000-72020

O-RING

1шт.

5

07000-72075

O-RING

1шт.

6

04020-01228

PIN

2шт.

7

07040-11007

PLUG

3шт.

8

07002-61023

O-RING

3шт.

9

07000-75485

O-RING

1шт.

10

425-13-34150

CAGE

1шт.

11

425-13-05000

SHIM KIT

1шт.

N/I

425-13-33311

SHIM, 0.15 MM

6шт.

N/I

425-13-33320

SHIM, 0.20 MM

6шт.

N/I

425-13-33330

SHIM, 0.50 MM

6шт.

12

06002-30217

BEARING

1шт.

13

01010-81235

BOLT

6шт.

14

01643-31232

WASHER

6шт.

15

425-13-44310

GEAR

1шт.

16

06002-30216

BEARING

1шт.

17

425-13-34321

GEAR

1шт.

18

06002-32016

BEARING

2шт.

19

425-13-44160

CAGE

1шт.

20

425-13-05010

SHIM KIT

1шт.

N/I

425-13-33341

SHIM, 0.15 MM

6шт.

N/I

425-13-33350

SHIM, 0.20 MM

6шт.

N/I

425-13-33360

SHIM, 0.50 MM

6шт.

21

01010-81235

BOLT

6шт.

22

01643-31232

WASHER

6шт.

23

425-13-33750

PLUG

1шт.

24

426-15-45220

PLUG

1шт.

|$34

31

-1шт.

|$35

F1 - SERVICEABLE PARTS LOCATED IN SERVICE KITS.

32

-1шт.

|$32

425-13-05300

SERVICE KIT, TORQUE CONVERTER

1шт.

Выбрано товаров: 34