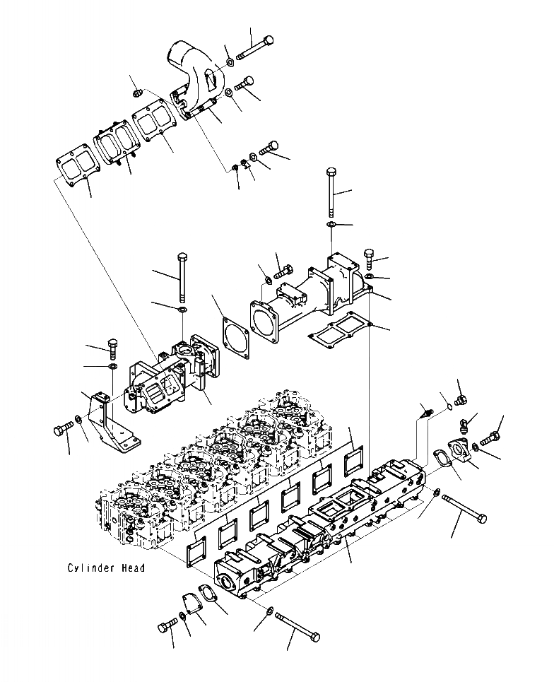
Запчасти Komatsu WA500-7 A-AA ТРУБОПРОВОД ВПУСКА ВОЗДУХА ДВИГАТЕЛЬ

Схема запчастей Komatsu WA500-7 - A-AA ТРУБОПРОВОД ВПУСКА ВОЗДУХА ДВИГАТЕЛЬ
24
25
32
26
27
21
23
28
29
22
8
31
30
23
9
13
14
10
16
11
12
17
6
7
19
20
40
41
18
43
42
35
15
2
20
36
19
33
34
5
4
1
34
37
5
39
38
3
FIT
1:1
100%

Артикул

Название

Примечание

Количество

1

6262-11-4110

MANIFOLD

1шт.

2

6210-11-4811

GASKET

6шт.

3

01011-81075

BOLT

8шт.

4

01011-81090

BOLT

12шт.

5

01643-31032

WASHER

20шт.

6

6262-11-7410

CONNECTOR

1шт.

7

6211-11-4821

GASKET

1шт.

8

01011-81085

BOLT

1шт.

9

01643-31032

WASHER

1шт.

10

01010-81040

BOLT

2шт.

11

01643-31032

WASHER

2шт.

12

6261-11-7450

GASKET

1шт.

13

01010-81240

BOLT

4шт.

14

01643-31232

WASHER

4шт.

15

6262-11-7210

HOUSING

1шт.

16

01011-81085

BOLT

4шт.

17

01643-31032

WASHER

4шт.

18

6262-11-7270

BRACKET

1шт.

19

01010-81030

BOLT

6шт.

20

01643-31032

WASHER

6шт.

21

6262-11-4320

CONNECTOR

1шт.

22

600-815-3812

HEATER

1шт.

23

6150-11-4821

GASKET

2шт.

24

01011-81095

BOLT

1шт.

25

01643-31032

WASHER

1шт.

26

01010-81065

BOLT

4шт.

27

01643-31032

WASHER

4шт.

28

01010-81080

BOLT

1шт.

29

01643-31032

WASHER

1шт.

30

6131-12-5920

SPACER

1шт.

31

6251-81-4811

BRACKET

1шт.

32

07042-A0108

PLUG

1шт.

33

6262-11-4120

BLOCK

1шт.

34

6212-61-6662

GASKET

2шт.

35

01010-81035

BOLT

2шт.

36

01643-31032

WASHER

2шт.

37

6262-11-4191

PLATE

1шт.

38

01010-81030

BOLT

1шт.

39

01643-31032

WASHER

1шт.

40

07040-11409

PLUG

1шт.

41

07002-21423

O-RING

1шт.

|$41

6219-81-1971

SENSOR ASSEMBLY

1шт.

42

NSS

SENSOR

1шт.

N/I

6219-81-1991

O-RING

1шт.

|$44

6560-61-7300

SENSOR ASSEMBLY

1шт.

43

NSS

SENSOR

1шт.

N/I

6735-21-1930

O-RING

1шт.

Выбрано товаров: 47