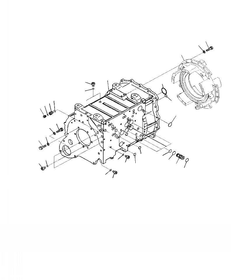
Запчасти Komatsu WA500-7 F-A КОРПУС ТРАНСМИССИИ СИЛОВАЯ ПЕРЕДАЧА И КОНЕЧНАЯ ПЕРЕДАЧА

Схема запчастей Komatsu WA500-7 - F-A КОРПУС ТРАНСМИССИИ СИЛОВАЯ ПЕРЕДАЧА И КОНЕЧНАЯ ПЕРЕДАЧА
7
8
22
1
18
2
3
3
4
6
19
5
20
21
10
9
3
15
13
3
2
12
2
17
11
14
3
2
16
FIT
1:1
100%

Артикул

Название

Примечание

Количество

|$25

TRANSMISSION (SEE FIG. F4300-06A0 )

0

-1шт.

1

425-15-41110

CASE

1шт.

2

720-2M-11550

PLUG

7шт.

3

07002-62034

O-RING

8шт.

4

195-22-81310

PLUG

1шт.

5

708-8E-16150

PLUG

1шт.

6

07002-61023

O-RING

1шт.

7

01010-81240

BOLT

18шт.

8

01643-31232

WASHER

18шт.

9

01010-81250

BOLT

6шт.

10

01643-31232

WASHER

6шт.

11

425-15-31321

SLEEVE

5шт.

12

07000-72021

O-RING

5шт.

13

07000-72018

O-RING

5шт.

14

07000-73038

O-RING

6шт.

15

07000-72015

O-RING

24шт.

16

07000-73042

O-RING

1шт.

17

07000-72022

O-RING

4шт.

18

07000-72055

O-RING

1шт.

19

07000-72020

O-RING

1шт.

20

01010-81240

BOLT

4шт.

21

01643-31232

WASHER

4шт.

22

HOUSING (SEE FIG. F4300-06A0 )

-1шт.

|$26

23

-1шт.

|$27

F1 - SERVICEABLE PARTS LOCATED IN SERVICE KITS.

24

-1шт.

|$24

425-15-05700

SEAL KIT, TRANSMISSION

1шт.

Выбрано товаров: 26