Качественные детали и логистика
Оригинальные и аналоговые запчасти с доставкой по России, Казахстану и Беларуси
©2022 PartSell ООО "Система" ИНН 2463123282 ОГРН 1212400004838
Центральный офис: г. Красноярск, Академика Киренского, д.87, пом.4
Телефон: 8 (800) 777-65-74 Email: zakaz@partsell.ru
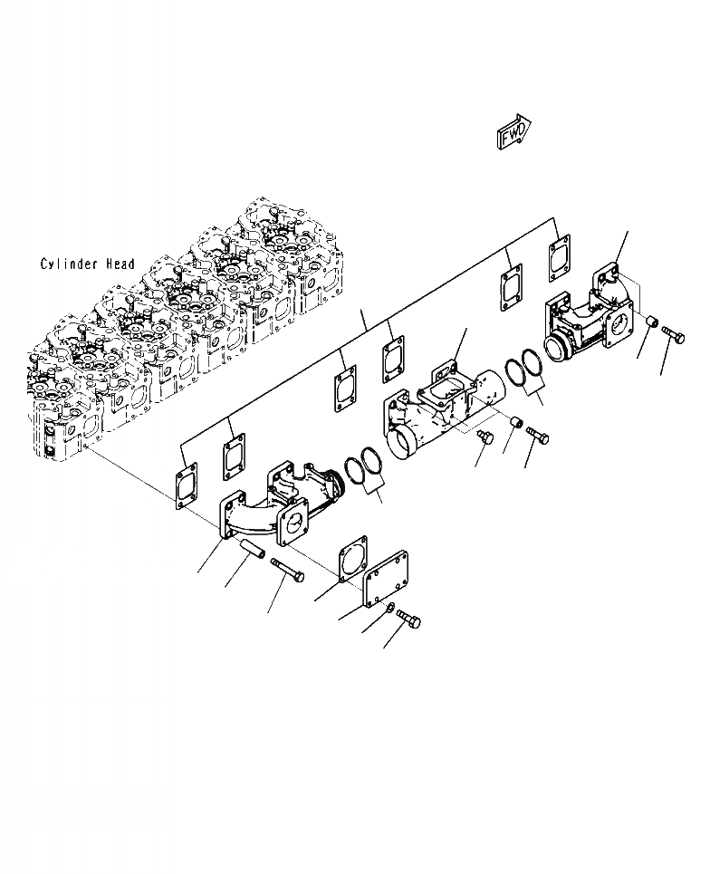
A9-AA ВЫПУСКНОЙ КОЛЛЕКТОР
№
Артикул
Название
Примечание
Количество
1
6262-11-5110
MANIFOLD, FRONT EXHAUST
1шт.
2
6262-11-5120
MANIFOLD, CENTER
3
6262-11-5130
MANIFOLD, REAR
4
6252-11-5770
SEAL RING
4шт.
5
6215-11-5920
PLUG
6
6261-11-5880
GASKET
6шт.
7
6210-11-5820
SPACER
8
01010-E1055
BOLT
9
6136-11-5120
20шт.
10
01011-E1000
11
6262-11-8950
PLATE
12
6138-13-4240
13
01020-11030
BOLT, STANLESS
14
01643-31032
WASHER
Выбрано товаров: 0