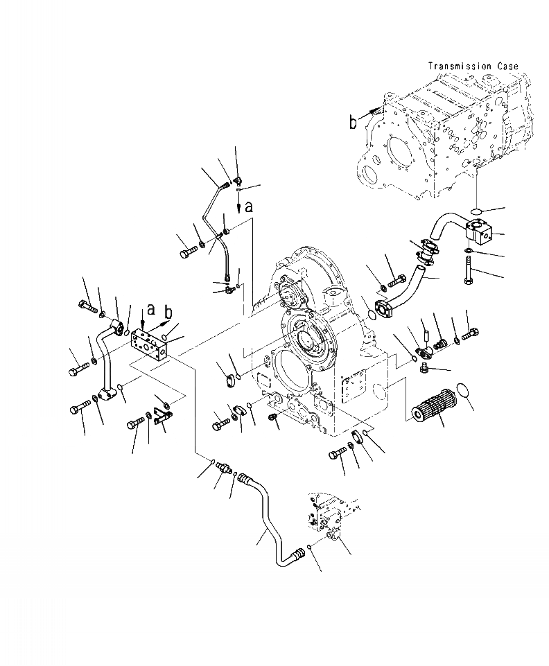
Запчасти Komatsu WA500-7 F-7A ТРАНСМИССИЯ КОРПУС ПЕРЕДАЧИ ТРУБЫ СИЛОВАЯ ПЕРЕДАЧА И КОНЕЧНАЯ ПЕРЕДАЧА

Схема запчастей Komatsu WA500-7 - F-7A ТРАНСМИССИЯ КОРПУС ПЕРЕДАЧИ ТРУБЫ СИЛОВАЯ ПЕРЕДАЧА И КОНЕЧНАЯ ПЕРЕДАЧА
39
9
40
34
41
38
15
37
36
17
13
18
19
21
41
35
31
32
14
40
20
16
30
39
33
6
2
7
4
23
1
5
25
22
24
10
9
3
27
12
11
33
47
10
32
46
8
9
26
31
29
10
28
9
12
11
45
43
44
42
48
44
FIT
1:1
100%

Артикул

Название

Примечание

Количество

|$54

TRANSMISSION (SEE FIG. F4300-06A0 )

0

-1шт.

|$1

6693-22-5600

VALVE ASSEMBLY

1шт.

1

NSS

BODY

1шт.

2

NSS

VALVE

1шт.

3

07040-12412

PLUG

1шт.

4

04020-00514

PIN, DOWEL

1шт.

5

07000-73028

O-RING

1шт.

6

01010-81025

BOLT

2шт.

7

01643-31032

WASHER

2шт.

8

02721-11617

PLUG

3шт.

9

07336-60312

FLANGE

3шт.

10

07000-73022

O-RING

3шт.

11

01010-81035

BOLT

6шт.

12

01643-31032

WASHER

6шт.

13

425-15-33810

TUBE

1шт.

14

425-15-33820

TUBE

1шт.

15

07000-73045

O-RING

1шт.

16

07000-73048

O-RING

1шт.

17

07332-01200

COUPLING

1шт.

|$19

07332-51200

GASKET

2шт.

|$20

07332-61200

CLAMP

2шт.

18

01010-81040

BOLT

4шт.

19

01643-31032

WASHER

4шт.

20

01010-81080

BOLT

4шт.

21

01643-31032

WASHER

4шт.

22

425-15-33731

BLOCK

1шт.

23

07000-73028

O-RING

1шт.

24

01010-81070

BOLT

3шт.

25

01643-31032

WASHER

3шт.

26

425-15-36850

BRACKET

1шт.

27

01643-31032

WASHER

1шт.

28

01010-81080

BOLT

1шт.

29

01643-31032

WASHER

1шт.

30

425-15-33751

TUBE

1шт.

31

01010-81060

BOLT

4шт.

32

01643-31032

WASHER

4шт.

33

07000-73028

O-RING

2шт.

34

425-15-33760

TUBE

1шт.

35

04434-51012

CLIP

1шт.

36

01010-81035

BOLT

1шт.

37

01643-31032

WASHER

1шт.

38

195-03-41520

COLLAR

1шт.

39

02782-10210

ELBOW

2шт.

40

02896-11008

O-RING

2шт.

41

07002-61423

O-RING

2шт.

42

425-15-43711

TUBE

1шт.

43

02781-00628

UNION

1шт.

44

02896-11018

O-RING

2шт.

45

07002-62434

O-RING

1шт.

46

426-15-41711

STRAINER

1шт.

47

07000-75085

O-RING

1шт.

48

TEE (SEE FIG. F4300-25A0 )

-1шт.

|$55

52

-1шт.

|$56

F1 - SERVICEABLE PARTS LOCATED IN SERVICE KITS.

53

-1шт.

|$53

425-15-05700

SEAL KIT, TRANSMISSION

1шт.

Выбрано товаров: 0