Запчасти Komatsu WA500-7 F-A ТРАНСМИССИЯ СМАЗЫВ. КЛАПАН КРЕПЛЕНИЕ СИЛОВАЯ ПЕРЕДАЧА И КОНЕЧНАЯ ПЕРЕДАЧА

Схема запчастей Komatsu WA500-7 - F-A ТРАНСМИССИЯ СМАЗЫВ. КЛАПАН КРЕПЛЕНИЕ СИЛОВАЯ ПЕРЕДАЧА И КОНЕЧНАЯ ПЕРЕДАЧА
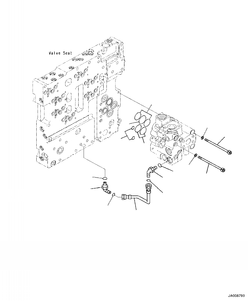
8
7
8
9
10
1
2
1
6
4
5
6
10
9
3
FIT
1:1
100%

Артикул

Название

Примечание

Количество

|$14

TRANSMISSION (SEE FIG. F4300-06A0 )

0

-1шт.

|$15

.VALVE ASSEMBLY (SEE FIG. F4300-19A0 )

1

-1шт.

1

07000-73030

O-RING

4шт.

2

07000-73034

O-RING

1шт.

3

07000-72012

O-RING

2шт.

4

569-15-75140

BOLT

2шт.

5

290H-20-1950

BOLT

1шт.

6

01643-51032

WASHER

3шт.

7

425-15-45710

TUBE

1шт.

8

02896-11008

O-RING

2шт.

9

02782-10210

ELBOW

2шт.

10

07002-61423

O-RING

2шт.

|$16

12

-1шт.

|$17

F1 - SERVICEABLE PARTS LOCATED IN SERVICE KITS.

13

-1шт.

|$13

425-15-05750

SEAL KIT, TRANSMISSION CONTROL VALVE

1шт.

Выбрано товаров: 15