Запчасти Komatsu WA500-7 F-A ТРАНСМИССИЯ ОСНОВН. РАЗГРУЗ. КЛАПАН СИЛОВАЯ ПЕРЕДАЧА И КОНЕЧНАЯ ПЕРЕДАЧА

Схема запчастей Komatsu WA500-7 - F-A ТРАНСМИССИЯ ОСНОВН. РАЗГРУЗ. КЛАПАН СИЛОВАЯ ПЕРЕДАЧА И КОНЕЧНАЯ ПЕРЕДАЧА
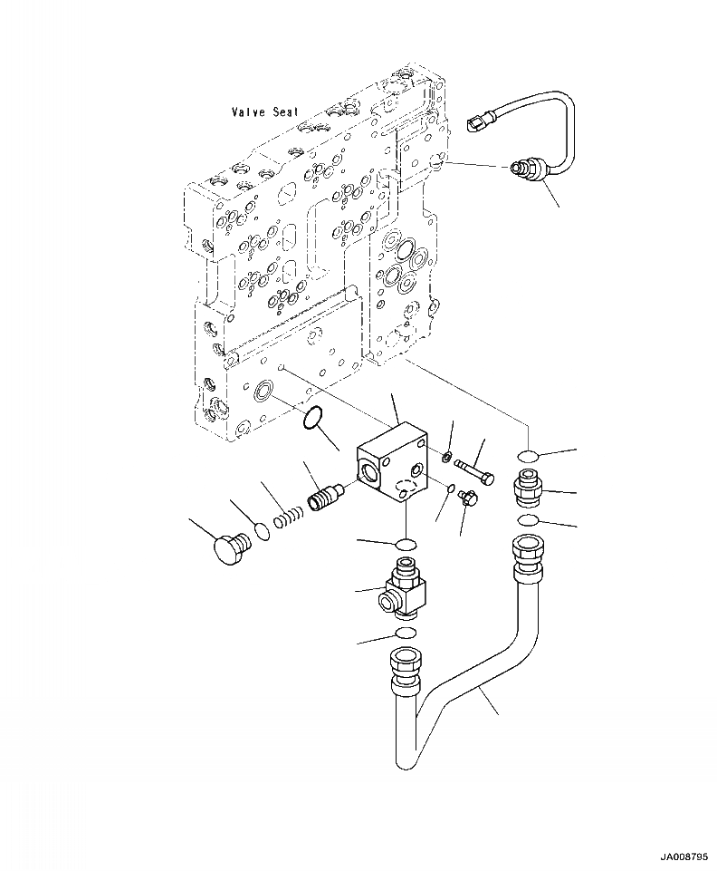
1
8
2
3
5
4
13
11
15
14
15
12
6
7
9
10
13
16
FIT
1:1
100%

Артикул

Название

Примечание

Количество

|$21

TRANSMISSION (SEE FIG. F4300-06A0 )

0

-1шт.

|$22

.VALVE ASSEMBLY (SEE FIG. F4300-19A0 )

1

-1шт.

|$2

425-15-44100

VALVE ASSEMBLY

1шт.

1

425-15-44111

BLOCK

1шт.

2

561-15-54230

VALVE

1шт.

3

103-40-31210

SPRING

1шт.

4

232-15-14280

PLUG

1шт.

5

07002-62434

O-RING

1шт.

6

708-8E-16150

PLUG

1шт.

7

07002-61023

O-RING

1шт.

8

07000-73030

O-RING

1шт.

9

01010-81060

BOLT

3шт.

10

01643-31032

WASHER

3шт.

11

426-Z91-3450

TEE

1шт.

12

02781-00628

UNION

1шт.

13

07002-62434

O-RING

2шт.

14

425-15-45721

TUBE

1шт.

15

02896-11018

O-RING

2шт.

16

56D-15-39910

SENSOR, PRESSURE

1шт.

|$23

19

-1шт.

|$24

F1 - SERVICEABLE PARTS LOCATED IN SERVICE KITS.

20

-1шт.

|$20

425-15-05750

SEAL KIT, TRANSMISSION CONTROL VALVE

1шт.

Выбрано товаров: 22