Запчасти Komatsu WA500-7 A-AB ВЫПУСКН. GAS RECIRCULATION (EGR) КЛАПАН КРЕПЛЕНИЕ ДВИГАТЕЛЬ

Схема запчастей Komatsu WA500-7 - A-AB ВЫПУСКН. GAS RECIRCULATION (EGR) КЛАПАН КРЕПЛЕНИЕ ДВИГАТЕЛЬ
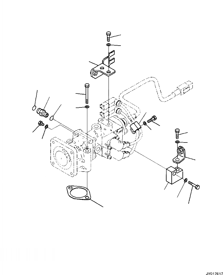
1
2
3
4
5
6
7
8
9
10
11
12
13
14
15
16
17
18
19
20
FIT
1:1
100%

Артикул

Название

Примечание

Количество

1

6166-61-6341

GASKET

1шт.

2

01010-81090

BOLT

2шт.

3

01643-31032

WASHER

2шт.

4

6262-41-9220

BRACKET

1шт.

5

01010-81045

BOLT

1шт.

6

01643-31032

WASHER

1шт.

7

6262-41-9230

BRACKET

1шт.

8

01010-81055

BOLT

1шт.

9

01643-31032

WASHER

1шт.

10

02781-0031D

UNION

2шт.

11

07002-21423

O-RING

2шт.

12

02896-21009

O-RING

2шт.

13

6262-41-9210

BRACKET

1шт.

14

01010-81020

BOLT

2шт.

15

01643-31032

WASHER

2шт.

16

600-051-2080

CLIP

2шт.

17

01010-81020

BOLT

1шт.

18

01643-31032

WASHER

1шт.

19

07040-11409

PLUG

1шт.

20

07005-01412

GASKET

1шт.

Выбрано товаров: 20