Запчасти Komatsu WA500-7 F7-A ГИДРОТРАНСФОРМАТОР И ТРАНСМИССИЯ ЛИНИЯ МАСЛ. ФИЛЬТР ТРУБЫ (ТРАНСМИССИЯ ) СИЛОВАЯ ПЕРЕДАЧА И КОНЕЧНАЯ ПЕРЕДАЧА

Схема запчастей Komatsu WA500-7 - F7-A ГИДРОТРАНСФОРМАТОР И ТРАНСМИССИЯ ЛИНИЯ МАСЛ. ФИЛЬТР ТРУБЫ (ТРАНСМИССИЯ ) СИЛОВАЯ ПЕРЕДАЧА И КОНЕЧНАЯ ПЕРЕДАЧА
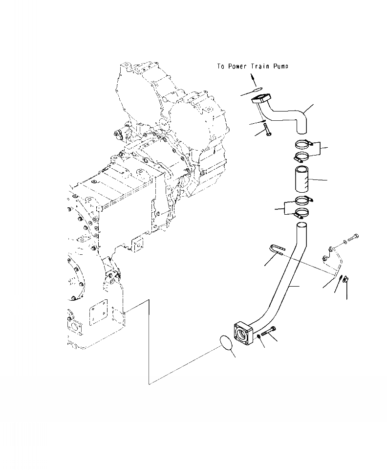
1
14
12
9
8
13
11
10
9
5
4
6
7
2
3
FIT
1:1
100%

Артикул

Название

Примечание

Количество

1

07000-A2100

O-RING

1шт.

2

01010-81265

BOLT

4шт.

3

01643-31232

WASHER

4шт.

4

425-16-41120

TUBE

1шт.

5

07283-36155

U-BOLT

1шт.

6

01643-31032

WASHER

2шт.

7

01597-01009

NUT

2шт.

8

07260-05816

HOSE

1шт.

9

07299-00080

CLAMP

4шт.

10

425-16-41320

TUBE

1шт.

11

07000-A2060

O-RING

1шт.

12

01010-81250

BOLT

4шт.

13

01643-31232

WASHER

4шт.

14

BRACKET (SEE FIG. F4300-29A0 )

-1шт.

Выбрано товаров: 14