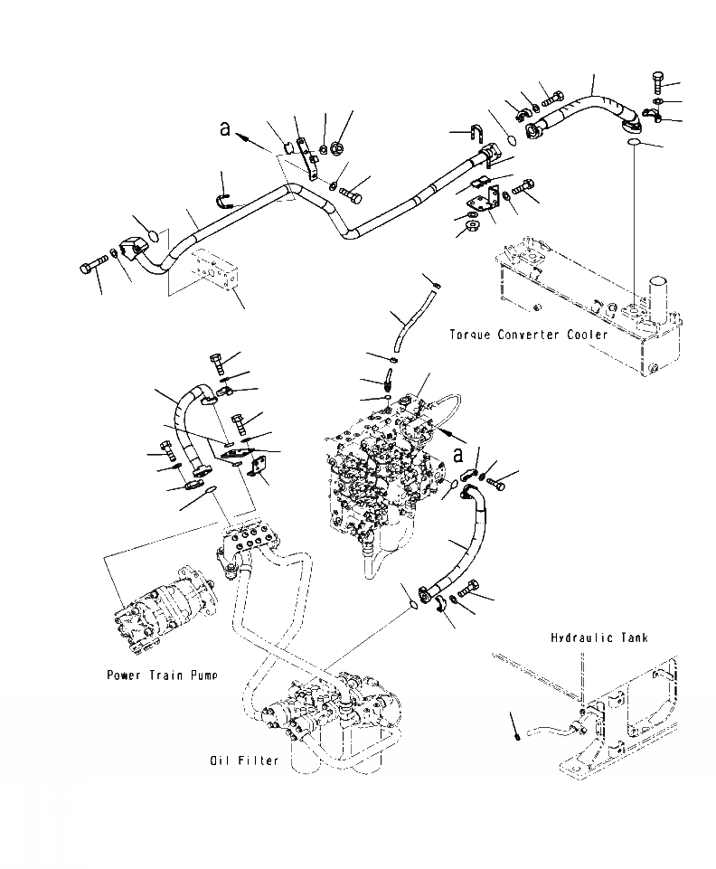
Запчасти Komatsu WA500-7 F7-A ГИДРОТРАНСФОРМАТОР И ТРАНСМИССИЯ ЛИНИЯ МАСЛООХЛАДИТЕЛЬ ВОЗВРАТ. ЛИНИЯ СИЛОВАЯ ПЕРЕДАЧА И КОНЕЧНАЯ ПЕРЕДАЧА

Схема запчастей Komatsu WA500-7 - F7-A ГИДРОТРАНСФОРМАТОР И ТРАНСМИССИЯ ЛИНИЯ МАСЛООХЛАДИТЕЛЬ ВОЗВРАТ. ЛИНИЯ СИЛОВАЯ ПЕРЕДАЧА И КОНЕЧНАЯ ПЕРЕДАЧА
7
4
8
9
24
6
23
5
25
3
18
2
27
22
26
17
20
18
47
11
41
10
13
12
48
21
17
49
19
35
14
47
16
50
15
36
45
30
32
46
38
28
39
42
44
29
33
43
34
32
37
41
40
43
44
42
1
31
47
FIT
1:1
100%

Артикул

Название

Примечание

Количество

1

07278-012A6

HOSE

1шт.

2

07000-A3038

O-RING

1шт.

3

07371-31255

FLANGE, SPLIT

2шт.

4

07372-21035

BOLT

4шт.

5

01643-51032

WASHER

4шт.

6

07000-A3038

O-RING

1шт.

7

07372-21035

BOLT

4шт.

8

01643-51032

WASHER

4шт.

9

07371-31255

FLANGE, SPLIT

2шт.

10

425-16-31391

TUBE

1шт.

11

07000-A3045

O-RING

1шт.

12

01010-81260

BOLT

2шт.

13

01643-31232

WASHER

2шт.

14

425-16-41410

PLATE

1шт.

15

01010-81020

BOLT

2шт.

16

01643-31032

WASHER

2шт.

17

07283-53444

SEAT

2шт.

18

07283-33450

U-BOLT

2шт.

19

01643-31032

WASHER

4шт.

20

01597-01009

NUT

4шт.

21

07283-53444

SEAT

1шт.

22

07283-33450

U-BOLT

1шт.

23

01643-31032

WASHER

2шт.

24

01597-01009

NUT

2шт.

25

425-16-41490

BRACKET

1шт.

26

01010-81025

BOLT

1шт.

27

01643-31032

WASHER

1шт.

28

07000-A3032

O-RING

2шт.

29

425-62-42760

PLATE

1шт.

30

425-16-42110

HOSE

1шт.

31

07000-A3032

O-RING

2шт.

32

07371-31049

FLANGE, SPLIT

4шт.

33

07372-21040

BOLT

4шт.

34

01643-51032

WASHER

4шт.

35

07372-31040

BOLT

4шт.

36

01643-51032

WASHER

4шт.

37

425-62-42770

BRACKET

1шт.

38

01010-81030

BOLT

2шт.

39

01643-31032

WASHER

2шт.

40

425-16-42110

HOSE

1шт.

41

07000-A3032

O-RING

2шт.

42

07371-31049

FLANGE, SPLIT

4шт.

43

07372-21035

BOLT

8шт.

44

01643-51032

WASHER

8шт.

45

425-60-45410

ELBOW

1шт.

46

07002-61423

O-RING

1шт.

47

11Y-09-11140

CLIP

3шт.

48

07260-20932

HOSE

1шт.

49

BLOCK (SEE FIG. F4300-17A0 )

-1шт.

50

SEAT (SEE FIG. F4300-19A0 )

-1шт.

Выбрано товаров: 50