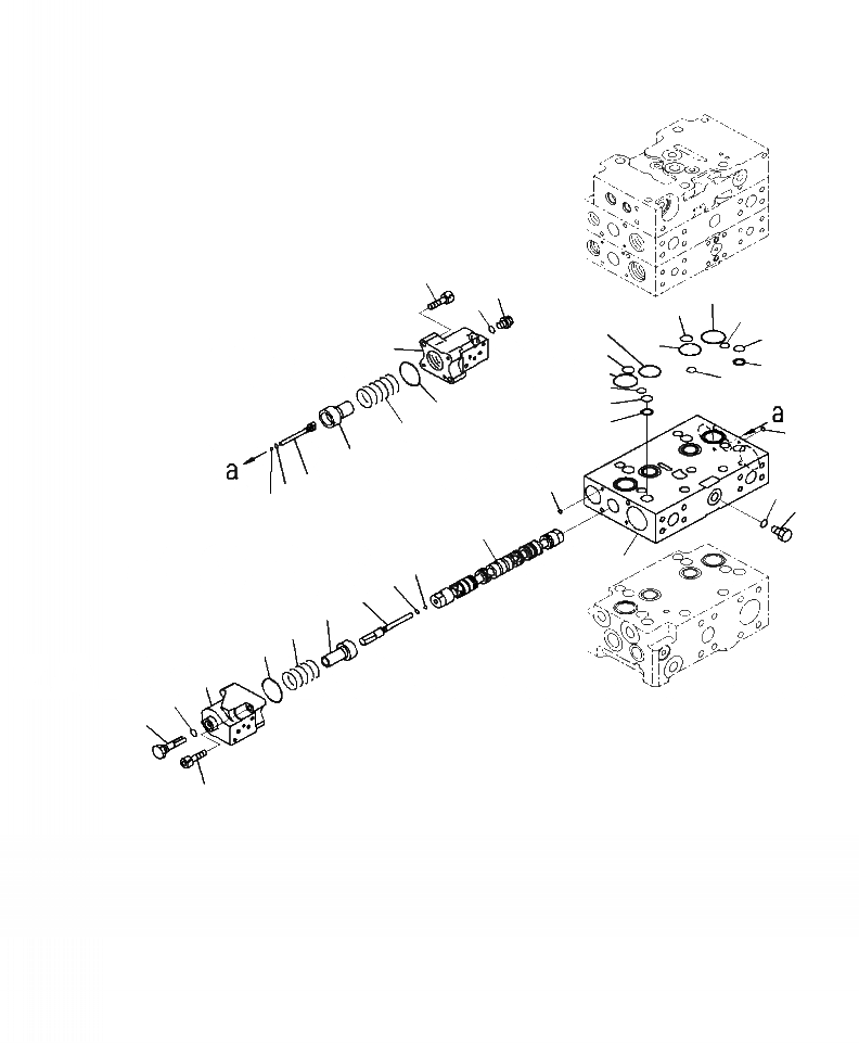
Запчасти Komatsu WA500-7 H-A ОСНОВН. УПРАВЛЯЮЩ. КЛАПАН 2-Х СЕКЦИОНН. КЛАПАН (/) ГИДРАВЛИКА

Схема запчастей Komatsu WA500-7 - H-A ОСНОВН. УПРАВЛЯЮЩ. КЛАПАН 2-Х СЕКЦИОНН. КЛАПАН (/) ГИДРАВЛИКА
12
11
14
14
12
10
18
19
15
17
22
23
21
21
23
9
22
20
18
18
19
13
20
8
7
3
5
6
2
1
6
5
16
4
15
7
8
13
9
FIT
1:1
100%

Артикул

Название

Примечание

Количество

|$25

VALVE, CONTROL (SEE FIG. H0120-01A0 )

0

-1шт.

|$1

NSS

BODY SUBASSEMBLY

1шт.

1

NSS

VALVE BODY

1шт.

2

NSS

SPOOL

1шт.

3

NSS

PLUG

1шт.

4

NSS

PLUG

1шт.

5

NSS

O-RING

2шт.

6

NSS

BALL

2шт.

7

723-46-15120

RETAINER

2шт.

8

723-46-14110

SPRING

2шт.

9

723-46-16621

CASE

2шт.

10

706-73-71450

PLUG

1шт.

11

723-46-16570

PLUG

1шт.

12

07002-11423

O-RING

2шт.

13

07430-71380

O-RING

2шт.

14

01252-60840

BOLT, HEXAGON SOCKET HEAD

4шт.

15

07000-11008

O-RING

6шт.

16

708-8H-11530

PLUG

1шт.

17

07002-11423

O-RING

1шт.

18

723-46-17530

O-RING

3шт.

19

723-11-19130

O-RING

2шт.

20

723-46-17520

RING, BACK-UP

2шт.

21

723-46-16520

O-RING

2шт.

22

723-46-17510

O-RING

2шт.

23

722-12-19070

O-RING

2шт.

Выбрано товаров: 25