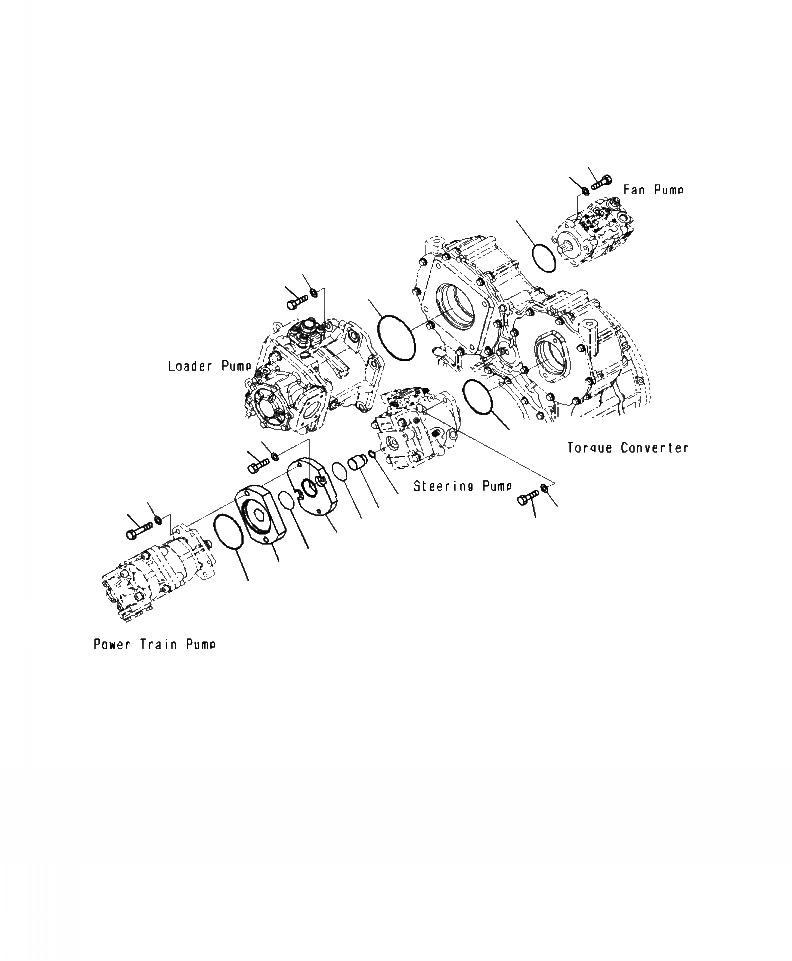
Запчасти Komatsu WA500-7 H-A ГИДР. НАСОС. НАСОС КРЕПЛЕНИЕ ГИДРАВЛИКА

Схема запчастей Komatsu WA500-7 - H-A ГИДР. НАСОС. НАСОС КРЕПЛЕНИЕ ГИДРАВЛИКА
17
18
19
12
11
13
3
16
2
7
6
10
15
9
4
14
1
4
5
8
FIT
1:1
100%

Артикул

Название

Примечание

Количество

1

425-62-34510

PLATE

1шт.

2

01010-81240

BOLT

2шт.

3

01643-31232

WASHER

2шт.

4

07000-12070

O-RING

2шт.

5

425-62-44561

PLATE

1шт.

6

01010-81680

BOLT

2шт.

7

01643-31645

WASHER

2шт.

8

07000-12130

O-RING

1шт.

9

425-62-34551

COUPLING

1шт.

10

04065-02012

RING, SNAP

1шт.

11

01010-82060

BOLT

4шт.

12

01643-32060

WASHER

4шт.

13

07000-75170

O-RING

1шт.

14

01010-81650

BOLT

2шт.

15

01643-31645

WASHER

2шт.

16

07000-72130

O-RING

1шт.

17

01010-81245

BOLT

3шт.

18

01643-31232

WASHER

3шт.

19

07000-72105

O-RING

1шт.

Выбрано товаров: 19