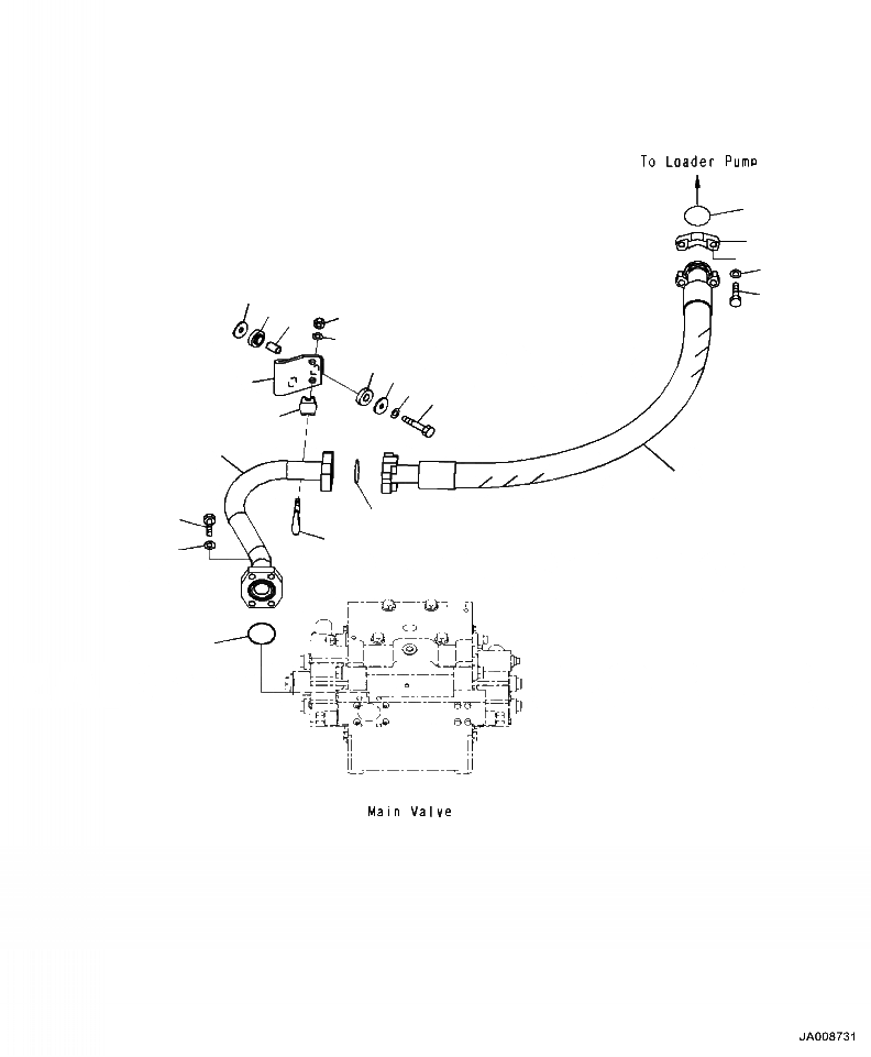
Запчасти Komatsu WA500-7 H-A ГИДРОЛИНИЯ ВОЗВРАТ. ТРУБЫ (ПЕРЕДН.) ГИДРАВЛИКА

Схема запчастей Komatsu WA500-7 - H-A ГИДРОЛИНИЯ ВОЗВРАТ. ТРУБЫ (ПЕРЕДН.) ГИДРАВЛИКА
2
4
3
1
11
11
6
5
8
9
7
6
17
18
15
13
12
16
17
20
19
10
14
FIT
1:1
100%

Артикул

Название

Примечание

Количество

1

425-62-43880

TUBE

1шт.

2

07000-B2055

O-RING

1шт.

3

07372-21240

BOLT

4шт.

4

01643-51232

WASHER

4шт.

5

425-62-33282

HOSE

1шт.

6

07000-B3048

O-RING

2шт.

7

07371-31465

FLANGE

4шт.

8

07372-21240

BOLT

8шт.

9

01643-51232

WASHER

8шт.

10

07283-54353

SEAT

1шт.

11

07283-34354

U-BOLT

1шт.

12

01643-31032

WASHER

2шт.

13

01597-01009

NUT

2шт.

14

425-62-33981

PLATE

1шт.

15

417-54-12260

SPACER

2шт.

16

417-62-13620

CUSHION

2шт.

17

419-43-17920

WASHER

4шт.

18

419-43-17930

CUSHION

2шт.

19

01010-81255

BOLT

2шт.

20

01643-31232

WASHER

2шт.

Выбрано товаров: 20