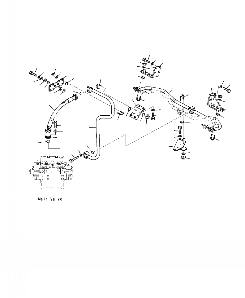
Запчасти Komatsu WA500-7 H-A ГИДРОЛИНИЯ ЦИЛИНДР СТРЕЛЫТРУБЫ (/) ГИДРАВЛИКА

Схема запчастей Komatsu WA500-7 - H-A ГИДРОЛИНИЯ ЦИЛИНДР СТРЕЛЫТРУБЫ (/) ГИДРАВЛИКА
23
24
31
22
16
21
20
20
17
11
18
19
18
24
23
14
22
10
13
12
2
19
15
28
31
14
19
1
20
30
29
18
18
19
18
20
4
6
21
26
5
3
27
19
2
7
9
25
8
20
21
FIT
1:1
100%

Артикул

Название

Примечание

Количество

1

425-62-43340

HOSE

1шт.

2

07000-B3032

O-RING

2шт.

3

07371-31049

FLANGE, SPLIT

4шт.

4

07372-21035

BOLT

8шт.

5

01643-51032

WASHER

8шт.

6

425-62-43320

TUBE

1шт.

7

07000-B3035

O-RING

1шт.

8

01010-81065

BOLT

4шт.

9

01643-31032

WASHER

4шт.

10

425-62-43310

TUBE

1шт.

11

425-62-34151

PLATE

1шт.

12

417-54-12260

SPACER

2шт.

13

417-62-13620

CUSHION

2шт.

14

419-43-17920

WASHER

4шт.

15

419-43-17930

CUSHION

2шт.

16

01010-81255

BOLT

2шт.

17

01643-31232

WASHER

2шт.

18

07283-53444

SEAT

9шт.

19

07283-33450

U-BOLT

9шт.

20

01643-31032

WASHER

18шт.

21

01597-01009

NUT

10шт.

22

425-62-33961

BRACKET

2шт.

23

01010-D1230

BOLT

8шт.

24

01643-71232

WASHER

8шт.

25

425-62-34321

PLATE

1шт.

26

01010-81230

BOLT

2шт.

27

01643-31232

WASHER

2шт.

28

425-62-44110

BRACKET

1шт.

29

01010-D1230

BOLT

2шт.

30

01643-71232

WASHER

2шт.

31

22P-70-12160

NUT

8шт.

Выбрано товаров: 31