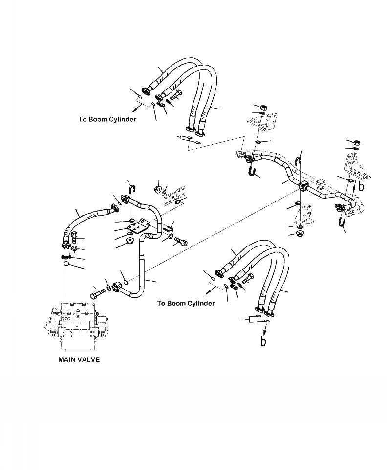
Запчасти Komatsu WA500-7 H-A ГИДРОЛИНИЯ ЦИЛИНДР СТРЕЛЫТРУБЫ (/) ГИДРАВЛИКА

Схема запчастей Komatsu WA500-7 - H-A ГИДРОЛИНИЯ ЦИЛИНДР СТРЕЛЫТРУБЫ (/) ГИДРАВЛИКА
19
21
22
18
19
23
16
20
21
21
18
14
15
16
14
15
17
15
16
10
2
14
1
14
15
14
16
11
17
15
4
16
19
13
5
12
17
3
7
21
2
9
8
6
22
19
23
20
21
21
FIT
1:1
100%

Артикул

Название

Примечание

Количество

1

425-62-34181

HOSE

1шт.

2

07000-B3032

O-RING

2шт.

3

07371-31049

FLANGE, SPLIT

4шт.

4

07372-21035

BOLT

8шт.

5

01643-51032

WASHER

8шт.

6

425-62-43420

TUBE

1шт.

7

07000-B3035

O-RING

1шт.

8

01010-81065

BOLT

4шт.

9

01643-31032

WASHER

4шт.

10

425-62-43410

TUBE

1шт.

11

425-62-44650

PLATE

1шт.

12

01010-81235

BOLT

2шт.

13

01643-31232

WASHER

2шт.

14

07283-53444

SEAT

9шт.

15

07283-33450

U-BOLT

9шт.

16

01643-31032

WASHER

18шт.

17

01597-01009

NUT

10шт.

18

22P-70-12160

NUT

8шт.

19

07085-01013

HOSE, FLANGE TYPE

4шт.

20

07000-B3032

O-RING

8шт.

21

07371-31049

FLANGE, SPLIT

16шт.

22

07372-21035

BOLT

32шт.

23

01643-51032

WASHER

32шт.

Выбрано товаров: 23