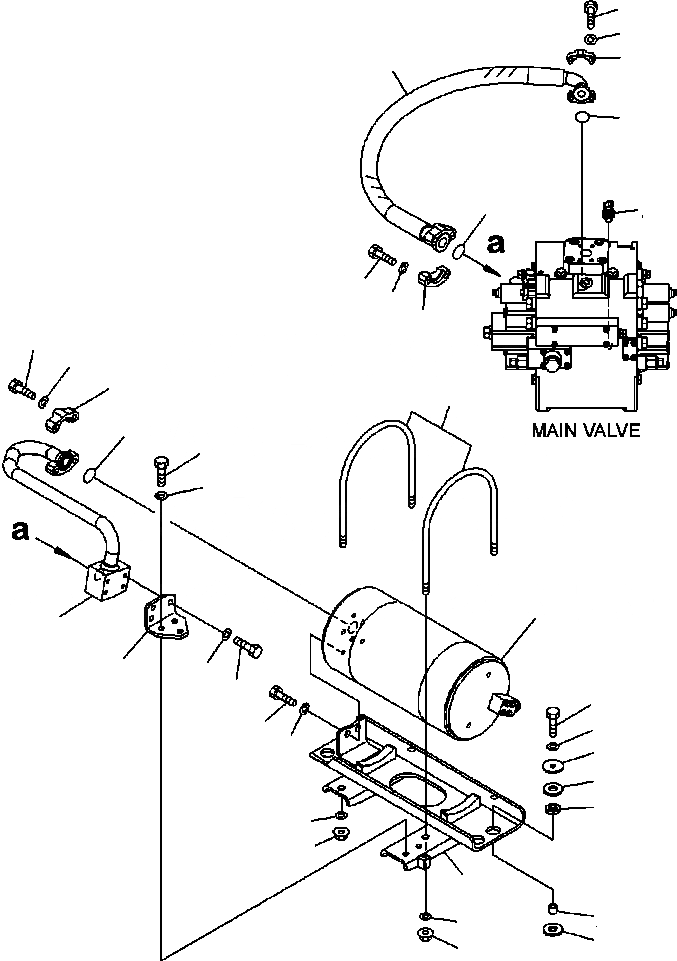
Запчасти Komatsu WA500-7 H-A ГИДРОЛИНИЯ ECSS АККУМУЛЯТОР - КРЕПЛЕНИЕ ГИДРАВЛИКА

Схема запчастей Komatsu WA500-7 - H-A ГИДРОЛИНИЯ ECSS АККУМУЛЯТОР - КРЕПЛЕНИЕ ГИДРАВЛИКА
17
18
16
13
14
15
24
20
21
19
28
29
27
8
23
25
26
30
22
24
26
25
6
7
11
12
5
3
4
9
10
1
2
9
3
10
FIT
1:1
100%

Артикул

Название

Примечание

Количество

1

425-62-34144

BRACKET

1шт.

2

428-64-15110

COLLAR

4шт.

3

418-54-13151

CUSHION

8шт.

4

418-54-13161

CUSHION

4шт.

5

416-54-13110

WASHER

4шт.

6

01010-81250

BOLT

4шт.

7

01643-31232

WASHER

4шт.

8

426-62-34870

U-BOLT

2шт.

9

01643-31645

WASHER

4шт.

10

01597-01615

NUT

4шт.

11

01010-81230

BOLT

1шт.

12

01643-31232

WASHER

1шт.

13

425-62-33943

HOSE

1шт.

14

07000-B3032

O-RING

1шт.

15

07000-B3038

O-RING

1шт.

16

07371-31049

FLANGE, SPLIT

2шт.

17

07372-21035

BOLT

4шт.

18

01643-51032

WASHER

4шт.

19

07371-51260

FLANGE, SPLIT

2шт.

20

07372-21245

BOLT

4шт.

21

01643-51232

WASHER

4шт.

22

425-62-34951

TUBE

1шт.

23

07000-B3038

O-RING

1шт.

24

425-62-34970

PLATE

1шт.

25

01010-81235

BOLT

6шт.

26

01643-31232

WASHER

6шт.

27

07371-51260

FLANGE, SPLIT

2шт.

28

01010-81245

BOLT

4шт.

29

01643-31232

WASHER

4шт.

30

ACCUMULATOR, ECSS (SEE FIG. H4200-10A0 )

-1шт.

Выбрано товаров: 30