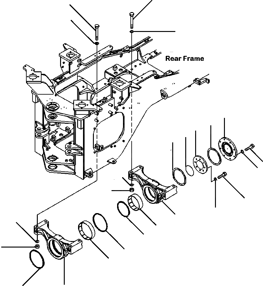
Запчасти Komatsu WA500-7 J-A СУППОРТ МОСТА ОСНОВНАЯ РАМА И ЕЕ ЧАСТИ

Схема запчастей Komatsu WA500-7 - J-A СУППОРТ МОСТА ОСНОВНАЯ РАМА И ЕЕ ЧАСТИ
15
15
17
17
11
7
8
14
7
12
17
13
16
9
10
4
17
5
6
16
3
2
3
1
FIT
1:1
100%

Артикул

Название

Примечание

Количество

1

425-46-32161

SUPPORT

1шт.

2

425-46-32220

BUSHING

1шт.

3

425-46-32350

PACKING

2шт.

4

425-46-32171

SUPPORT

1шт.

5

425-46-32230

BUSHING

1шт.

6

425-46-32360

PACKING

1шт.

7

425-46-32210

WASHER, THRUST

2шт.

8

425-46-32240

PLATE

1шт.

9

01010-61675

BOLT

8шт.

10

01643-31645

WASHER

8шт.

11

425-46-42180

COVER

1шт.

12

01010-61655

BOLT

8шт.

13

01643-31645

WASHER

8шт.

14

708-8F-31610

O-RING

1шт.

15

425-46-12371

BOLT

8шт.

16

01580-03024

NUT

8шт.

17

01643-33080

WASHER

16шт.

Выбрано товаров: 17