Запчасти Komatsu WA500-7 A9-AA8 ПЕРЕДН. ПРИВОД КРЫШКАКРЕПЛЕНИЕ ДВИГАТЕЛЬ

Схема запчастей Komatsu WA500-7 - A9-AA8 ПЕРЕДН. ПРИВОД КРЫШКАКРЕПЛЕНИЕ ДВИГАТЕЛЬ
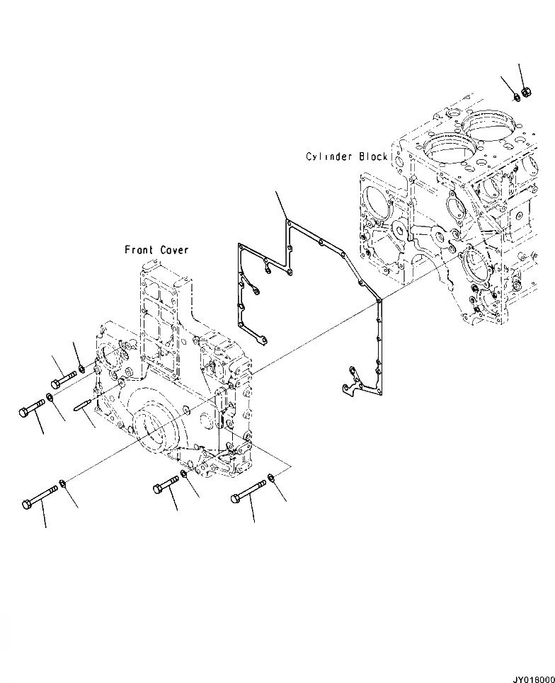
1
2
3
3
4
5
6
7
8
9
10
11
12
13
FIT
1:1
100%

Артикул

Название

Примечание

Количество

1

6217-21-3251

GASKET

1шт.

2

01011-81000

BOLT

1шт.

3

01643-31032

WASHER

2шт.

4

01580-01008

NUT

1шт.

5

01011-81010

BOLT

1шт.

6

01643-31032

WASHER

1шт.

7

01010-81090

BOLT

3шт.

8

01643-31032

WASHER

3шт.

9

01010-81275

BOLT

1шт.

10

01643-31232

WASHER

1шт.

11

01010-81290

BOLT

7шт.

12

01643-31232

WASHER

7шт.

13

6210-22-3910

POINTER

1шт.

Выбрано товаров: 13