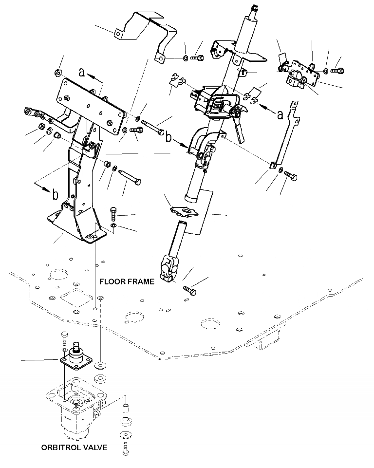
Запчасти Komatsu WA500-7 K-9A КАБИНА ROPS РУЛЕВ. КОЛОН. OPERATORXD S ОБСТАНОВКА И СИСТЕМА УПРАВЛЕНИЯ

Схема запчастей Komatsu WA500-7 - K-9A КАБИНА ROPS РУЛЕВ. КОЛОН. OPERATORXD S ОБСТАНОВКА И СИСТЕМА УПРАВЛЕНИЯ
19
30
10
20
21
6
18
5
26
4
10
17
26
16
25
15
14
24
2
2
7
27
22
9
8
23
12
1
13
11
29
28
8
3
FIT
1:1
100%

Артикул

Название

Примечание

Количество

1

423-40-52311

COLUMN ASSEMBLY, STEERING

1шт.

2

569-40-8A430

BUSHING

2шт.

3

426-40-32912

COLUMN

1шт.

4

423-40-52170

BRACKET

1шт.

5

01010-80616

BOLT

2шт.

6

01643-30623

WASHER

2шт.

7

423-40-52210

BRACKET

1шт.

8

01010-80616

BOLT

2шт.

9

01643-30623

WASHER

2шт.

10

08034-40521

STRAP, TIE

2шт.

11

423-40-52190

BRACKET

1шт.

12

01010-81030

BOLT

2шт.

13

01643-31032

WASHER

2шт.

14

01010-81025

BOLT

2шт.

15

01643-31032

WASHER

2шт.

16

01010-81085

BOLT

2шт.

17

01643-31032

WASHER

2шт.

18

01594-01008

NUT

2шт.

19

423-40-52180

PLATE

1шт.

20

01010-81025

BOLT

2шт.

21

01643-31032

WASHER

2шт.

22

01643-31232

WASHER

1шт.

23

423-40-32160

BOLT

1шт.

24

22W-43-17330

WASHER

1шт.

25

01580-10806

NUT

1шт.

26

421-40-22650

SHIM, T=0.5MM

8шт.

27

423-40-52151

RUBBER

1шт.

28

01050-51040

BOLT

1шт.

29

01602-21030

WASHER, SPRING

1шт.

30

08034-40521

STRAP, TIE

2шт.

Выбрано товаров: 30